Качественные детали и логистика
Оригинальные и аналоговые запчасти с доставкой по России, Казахстану и Беларуси
©2022 PartSell ООО "Система" ИНН 2463123282 ОГРН 1212400004838
Центральный офис: г. Красноярск, Академика Киренского, д.87, пом.4
Телефон: 8 (800) 777-65-74 Email: zakaz@partsell.ru
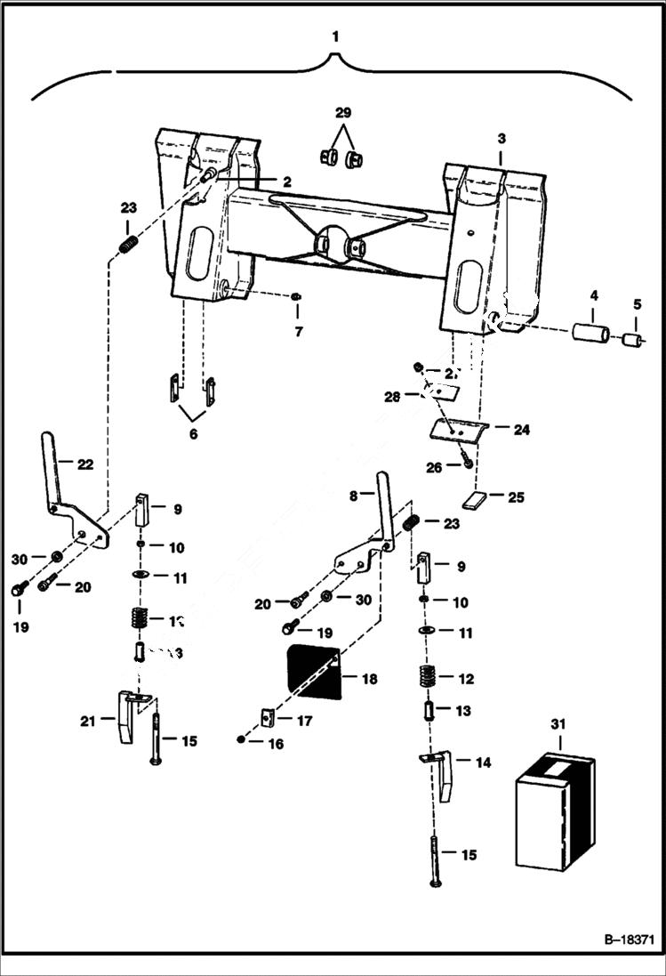
BOB-TACH
№
Артикул
Название
Примечание
Количество
1
6562394
BOB-TACH See Illustration DECALS/ B18563 W/Ref. 2-30 - Also Order 6561383 Decal - Was SALES - A
2
6562013
STUD
3
FRAME NLA - Order Ref. 1
4
6563436
BUSHING Weld On
5
6730997
BUSHING, WELD-ON Was 711273B - A
6
6562026
INSERT
7
743332
FITTING, GREASE 5
8
6563107
LEVER RH
9
6565186
BLOCK, BOB-TACH WEDGE
10
7D8
NUT 5
11
25E21
WASHER 5
12
6578253
SPRING, COMPRESSION Was 6562018 - A
13
6562019
GUIDE
14
6565189
WEDGE RH - Was 6562022 - A
15
17C884
BOLT
16
85D6
NUT, 5
17
6563108
ANGLE
18
6563103
COVER rubber
19
35C610
BOLT 5
20
38C810
BOLT Was 661846B - B
21
6565190
WEDGE LH - Was 6562025 - A
22
6563106
LEVER LH
23
6704453
SPRING Was 6503387 - A
24
6563349
STOP Weld On
25
6563348
26
31C828
27
83D8
28
6568784
SHIM 0.0966
6568785
SHIM 0.1265
6568786
SHIM 0.1713
6568787
SHIM 0.2152
29
6562642
BUSHING, WELD-ON Weld On
30
619021
WASHER, 5
31
6579433
LEVER KIT LH - Ref. 6, 9-13, 15-23 & 30
6579434
LEVER KIT RH - Ref. 6, 8-20, 23 & 30
Выбрано товаров: 0