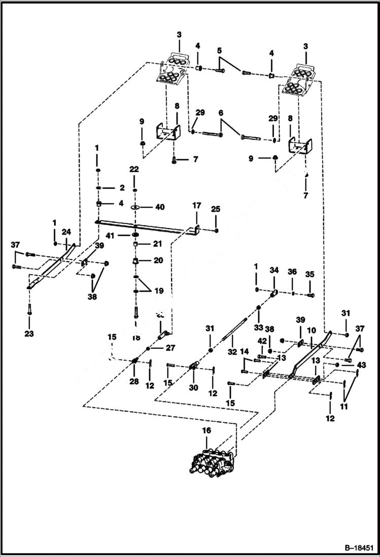
Запчасти Bobcat 800s CONTROL PEDALS HYDRAULIC SYSTEM

Схема запчастей Bobcat 800s - CONTROL PEDALS HYDRAULIC SYSTEM
FIT
1:1
100%

Артикул

Название

Примечание

Количество

1

85D6

NUT, 5

2

6563914

WASHER

3

7115219

PEDAL Was 6726680 - A

4

6665701

BUSHING, PRESS FIT Was 6630081 - A

5

17C624

BOLT 5

6

6564657

PIN

7

6704349

BOLT Was 6514537 - A

8

6564722

BRACKET

9

57D6

NUT 5

10

6564720

BAR

11

1306637

CLIP

12

6513495

COTTER PIN

13

6706680

LINK Also Order Ref. 42 & 43 - Was 6564544 - A

14

4F6106

PIN

15

PIN NLA - Was 6564654 - A

16

VALVE See Illustration CONTROL VALVE/ B18453

17

6564721

LEVER

18

6565067

BOLT

19

25E17

WASHER 5

20

6569599

BEARING

21

6569598

INSERT

22

61D6

NUT 5

23

17C628

BOLT

24

6564719

BAR

25

86D5

NUT Was 82D000005B - B

26

6512356

BALL JOINT

27

8D5

NUT

28

6585201

CLEVIS

29

25E21

WASHER 5 Use if serrations on pins are too long

30

6564655

CLEVIS

31

8D6

NUT 5

32

6564718

ROD aux. control

33

13D6

NUT

34

6512955

SWIVEL L.H. threads

35

17C620

BOLT

36

6564535

SPACER

37

17C614

BOLT

38

83D6

NUT 5

39

6563151

LINK

40

6577266

WASHER Was 616789B - B

41

6569597

WASHER

42

17C620

BOLT

43

95D6

NUT Was 91D000006B - A

Выбрано товаров: 0