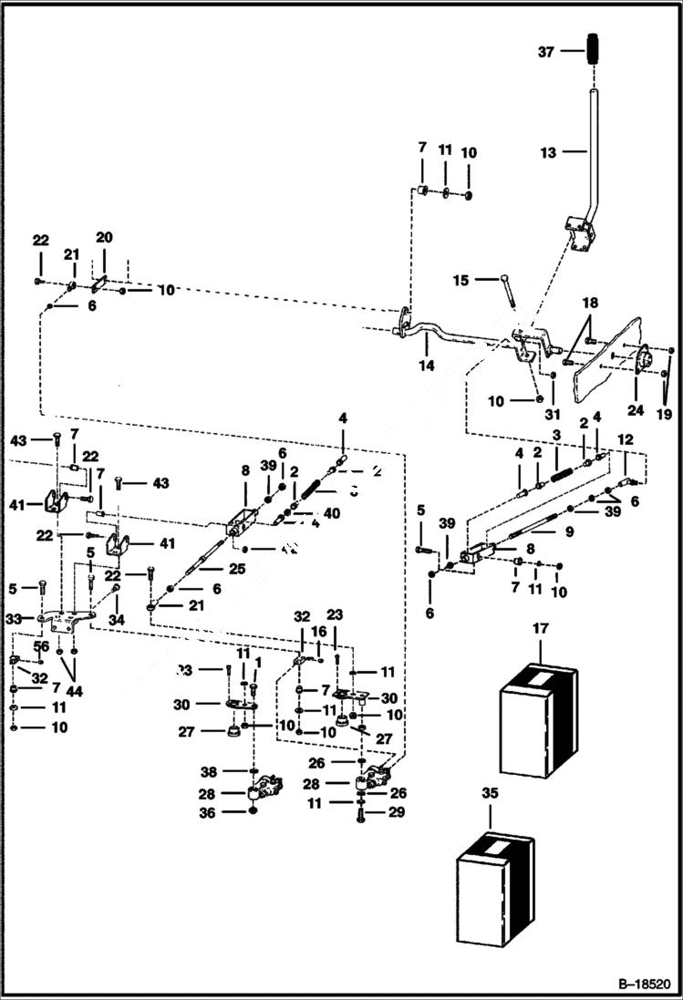
Запчасти Bobcat 800s HAND CONTROLS (RIGHT SIDE) (S/N 26001-29869) HYDROSTATIC SYSTEM

Схема запчастей Bobcat 800s - HAND CONTROLS (RIGHT SIDE) (S/N 26001-29869) HYDROSTATIC SYSTEM
FIT
1:1
100%

Артикул

Название

Примечание

Количество

1

17C1048

BOLT

2

6579990

WASHER Was 6558429 - A

3

6569181

SPRING Was 6577186 - A

4

6569260

BUSHING

5

17C624

BOLT 5

6

8D6

NUT 5

7

6665701

BUSHING, PRESS FIT neoprene - Was 6630081 - A

8

6578581

BRACKET Was 6577361 - A

9

6569188

ROD Was 6577250 - D

10

85D6

NUT, 5

11

6563914

WASHER

12

6599744

BALL JOINT

13

6558615

HANDLE

14

6576597

SHAFT Standard

14

6578848

SHAFT See Illustration HIGH HORSEPOWER HYDRAULICS/ E2020 See Illustration HIGH HORSEPOWER HYDRAULICS/ E1899 loaders with High Horsepower Hydraulics

15

6553081

BOLT

16

33G504

SET SCREW

17

6701020

KIT See Illustration STEERING KIT/ B18615 for latest controls

18

35C612

BOLT

19

83D6

NUT 5

20

6568631

LINK

21

6512954

ROD END R.H. threads

22

17C620

BOLT

23

21G1024

SCREW 1-1/2'' (38,1 mm) - Use W/Square Lever

23

21G1020

SCREW 1-1/4'' (31,7 mm) - Use W/Teardrop Lever

24

6558736

FLANGE

25

6577251

ROD

26

6577156

WASHER

27

6630874

BUSHING

28

SERVO See Illustration SERVO/ D1660

29

17C616

BOLT 5 Was 17C000612B - B

30

LEVER NLA - R.H.- Order Ref. 35

31

86D6

NUT

32

6584289

BLOCK

33

6577327

BRACKET

34

17C712

BOLT

35

6578086

KIT R.H. Pintle Lever - Ref. 23, 30, 36 38 & 45

36

85D10

NUT, 5

37

6513963

GRIP

38

6584863

SPACER

39

62D6

NUT 5

40

6557831

WASHER

41

6577287

BRACKET

42

7D6

NUT lock - Was 17C000622B - B

43

17C512

BOLT 5

44

85D5

NUT 5

Выбрано товаров: 46