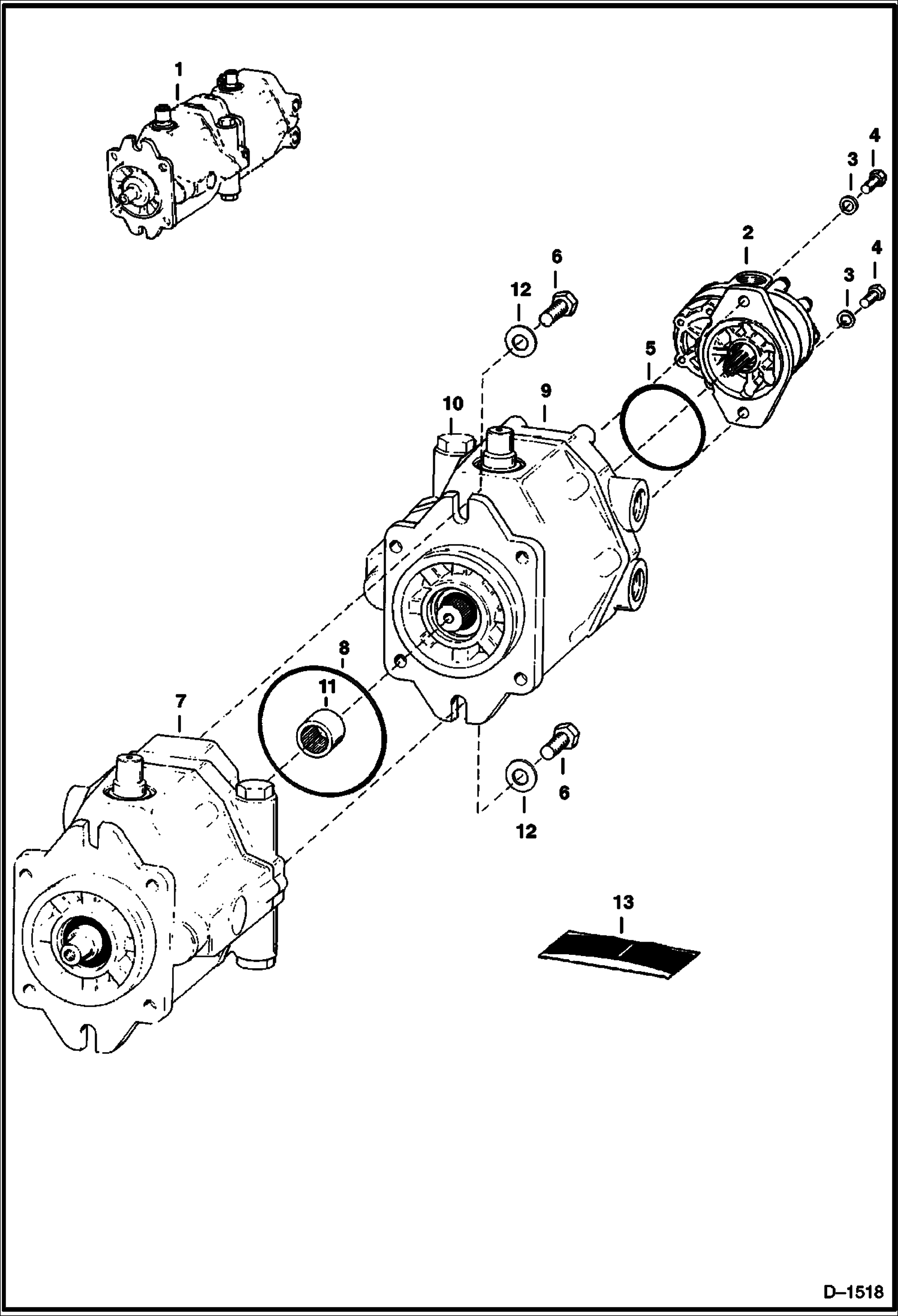
Запчасти Bobcat 800s HYDROSTATIC PUMP (S/N 24001-34221 & 50000-59999) (S/N 85001 & Above, 90001-95000, 95001 & Above) HYDROSTATIC SYSTEM

Схема запчастей Bobcat 800s - HYDROSTATIC PUMP (S/N 24001-34221 & 50000-59999) (S/N 85001 & Above, 90001-95000, 95001 & Above) HYDROSTATIC SYSTEM
FIT
1:1
100%

Артикул

Название

Примечание

Количество

1

PUMP, HYD TANDEM NLA - 78552-RAF - Was 6631702 - A

1

PUMP NLA - 78552 RAF - Was 6632262REM - A

1

6646382

PUMP 78552-RAH

1

PUMP, HYD COMPLETE NLA - 78552-RAH - Was 6657191REM - A

1

6651691

PUMP 78552-RAK

1

6651691

PUMP

1

6651691

PUMP

1

6651691

PUMP

1

6651691

PUMP

1

PUMP, HYD COMPLETE NLA - 78553-RAK - Was 6657190REM - A

2

6698249

PUMP, GEAR See Illustration GEAR PUMP/ B18526 Was 6632039 - A

3

6510584

WASHER

4

17C616

BOLT 5

5

25K20308

O RING 10

6

17C1024

BOLT

7

PUMP See Illustration HYDROSTATIC PUMP/ E1280 rear

8

25K30500

O RING 10

9

PUMP See Illustration HYDROSTATIC PUMP/ B18261 front

10

6513978

RELIEF VALVE

11

6514002

COUPLER

12

6513980

WASHER

13

6630388

SEAL KIT Complete Pump

Выбрано товаров: 22