Качественные детали и логистика
Оригинальные и аналоговые запчасти с доставкой по России, Казахстану и Беларуси
©2022 PartSell ООО "Система" ИНН 2463123282 ОГРН 1212400004838
Центральный офис: г. Красноярск, Академика Киренского, д.87, пом.4
Телефон: 8 (800) 777-65-74 Email: zakaz@partsell.ru
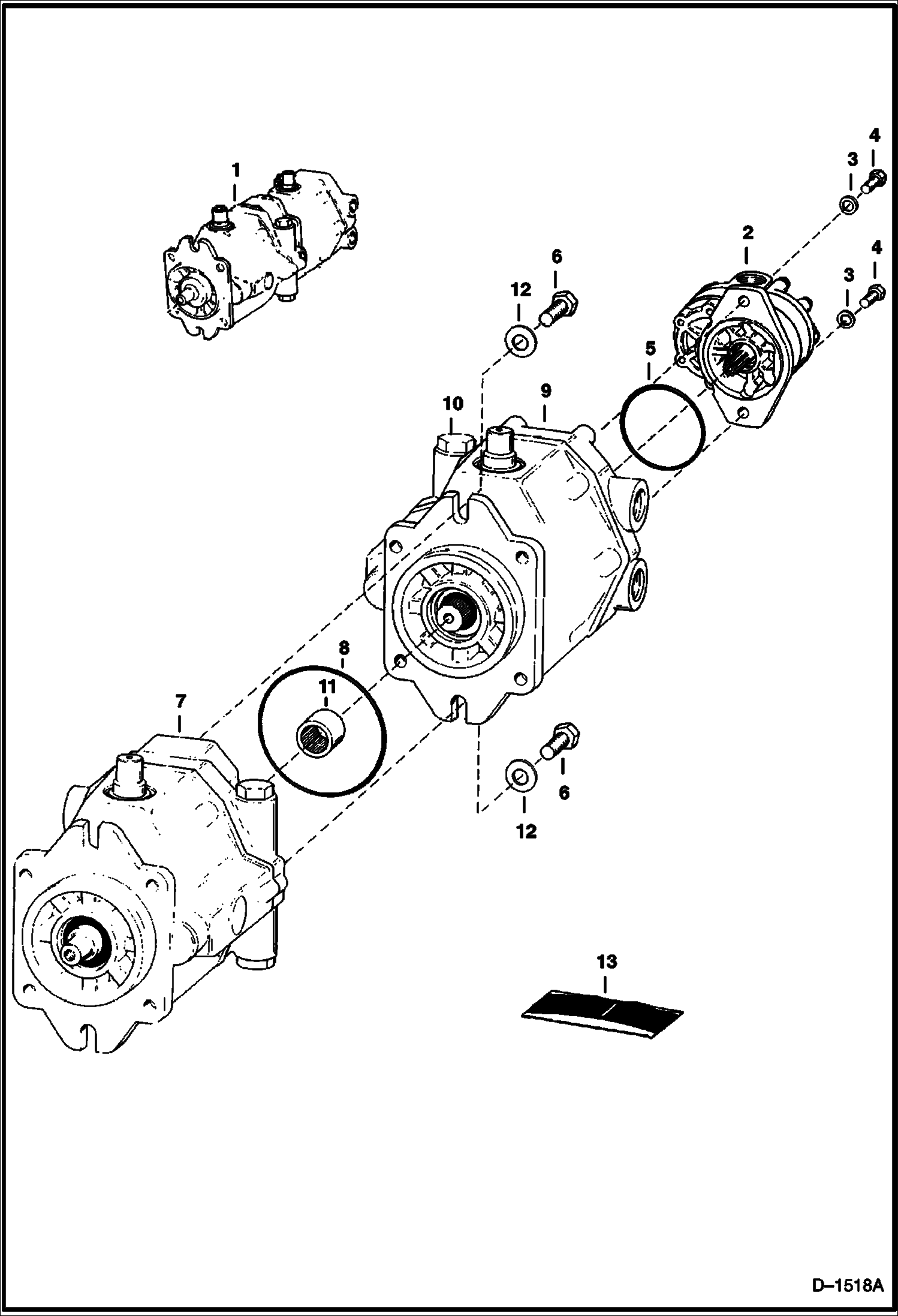
HYDROSTATIC PUMP (S/N 34222-49999)
№
Артикул
Название
Примечание
Количество
1
6657718
PUMP 78552-RAM
2
PUMP See Illustration GEAR PUMP/ B18526 gear
3
6510584
WASHER
4
17C616
BOLT 5
5
25K20308
O RING 10
6
17C1024
BOLT
7
PUMP See Illustration HYDROSTATIC PUMP/ B18524 rear
8
25K30500
9
PUMP See Illustration HYDROSTATIC PUMP/ E1281 front
10
6513978
RELIEF VALVE relief
11
6514002
COUPLER
12
6513980
13
6630388
SEAL KIT
Выбрано товаров: 0