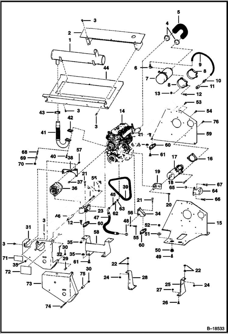
Запчасти Bobcat 800s ENGINE & ATTACHING PARTS POWER UNIT

Схема запчастей Bobcat 800s - ENGINE & ATTACHING PARTS POWER UNIT
FIT
1:1
100%

Артикул

Название

Примечание

Количество

1

6559954

MUFFLER, SPARK ARRESTOR spark arrestor

2

6567720

SHIELD

3

84G3712

BOLT 5

4

42HL300

CLAMP Was 6598799 - A

5

6568990

HOSE

6

6598753

ELBOW 90 degree

6

6563452

FITTING Straight

7

AIR CLEANER See Illustration AIR CLEANER/ B13147 See Illustration AIR CLEANER/ B18168

8

6516191

BAND Was 871610B - A

9

6557720

HOSE bulk - Sold Per Foot - Was 6559797 - A

10

6505813

CONNECTOR

11

6515007

GAUGE

12

17C614

BOLT

13

61D6

NUT 5

14

ENGINE See Illustration ENGINE/ E1686

15

6569313

MOUNT See BTI254

16

6562264

BLOCK

17

STARTER See Illustration STARTER/ D2119 See Illustration STARTER/ B18270

18

17C636

BOLT Was 17C000628B - B

19

6568986

MOUNT Not Use W/6651210 Starter

20

1CM1016

SCREW Was 2CM01016B - A

21

17C624

BOLT 5

21

1CM1230

BOLT

22

616783

WASHER

23

6702896

MOUNT Was 6568883 - A

24

85D6

NUT, 5

25

6569316

MOUNT

26

17C820

BOLT

27

85D8

NUT, 5

28

6569317

MOUNT

29

35C528

SCREW

30

85D5

NUT 5 Was 61D000005B - B

31

SHIELD NLA - Order Ref. 71-75 - Was 6568896 - A

32

1CM812

BOLT

33

17C6104

BOLT

34

6578405

MOUNT Was 6568880 - C

35

83D6

NUT 5

36

ALTERNATOR See Illustration ALTERNATOR/ C3312 See Illustration ALTERNATOR/ D1760

37

29CM825

BOLT

38

6568897

BRACKET

39

6655314

BELT, ALT Was 6631868 - A

40

6563005

BOLT

41

6703639

EXHAUST PIPE exhaust - Was 6569122 - A

42

6705793

GASKET Was 6569003 - A

43

6677363

CLAMP, FULL CIRCLE Was 657904 - B

44

6567715

SHIELD

45

6701985

ADAPTER Was 6631566 - A

46

6569980

SPACER

47

6571679

HOSE

48

36K6

CAP

49

17C1048

BOLT

50

6513606

MOUNT Was 6514897 - A

51

6514557

WASHER

52

85D10

NUT, 5

53

5CM1022

BOLT

54

5CM1225

BOLT Was 5CM01224B - B

55

6659937

BOLT Was 3984320B - A

56

7EM100

LOCKWSHR

57

35C516

BOLT 10

58

6577192

MOUNT

59

6700518

MOUNT Was 6577193 - A

60

6646709

MOUNT, ENG

61

17C618

BOLT

62

58K016

O-RING 10

63

6631890

WASHER

64

6701618

BRACE Use W/6651210 Starter

65

6701628

SPACER Use W/6651210 Starter

66

5CM1016

BOLT Use W/6651210 Starter

67

5CM1030

BOLT Use W/6651210 Starter

68

6631734

STUD

69

6625291

SPACER Was 6578452 - A

70

2DM10

NUT Was 5DM00010B - B

71

6576441

DECAL

72

6579511

DECAL

73

6701924

SHIELD

74

17C596

BOLT

75

6702938

SPACER

76

6CM1225

BOLT

Выбрано товаров: 78