Запчасти Bobcat 800s CAB DOOR (R.H. Hinged) ACCESSORIES & OPTIONS

Схема запчастей Bobcat 800s - CAB DOOR (R.H. Hinged) ACCESSORIES & OPTIONS
FIT
1:1
100%

Артикул

Название

Примечание

Количество

1

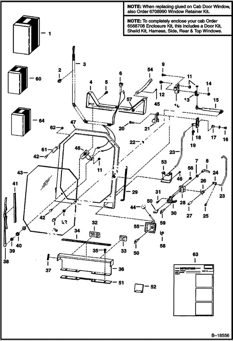
KIT NLA - cab door - Ref. 2-59 - Order 6708973 Door Kit, 6709934 Shield Kit & 6708225 Harness - Was 6571845 - A

2

30H37

CLAMP

3

6568739

HARNESS

4

6568724

SHIELD Use with Old Style Latch

4

6704428

SHIELD Use with New Style Latch - Was 6576471 - A

5

84G3112

BOLT 5

6

6631009

SWITCH

7

25E18

WASHER Use with Old Style Latch

8

6515600

HANDLE Use with Old Style Latch

9

10C512

BOLT Was 6553808 - A

10

6568051

HINGE For 1/4'' Hinge Pin

10

6571715

HINGE For 3/8'' Hinge Pin

11

83D5

NUT 5

12

35C412

BOLT

13

6568055

BRACKET

14

83D4

NUT 10

15

6630797

GAS SPRING

15

6632221

STUD Ball

15

2756257

CLIP Spring

16

17C712

BOLT

17

6568047

NUT Bushing

18

6660932

LATCH Old Style - Was 6647789 - A

19

6519480

CLIP Was 6512274 - D

20

35C416

BOLT

21

6568728

SHIELD

22

25E16

WSHR

23

6568727

ROD Use with Old Style Latch

23

6704425

ROD Use with New Style Latch - Was 6576470 - A

24

6568528

BRACKET Use with Old Style Latch

25

6519480

CLIP Use with Old Style Latch

26

6568725

SPRING Use with Old Style Latch

27

6568526

SPACER Use with Old Style Latch

28

6568527

BRACKET Use with Old Style Latch

29

6568704

MOULDING bulk-Sold Per Foot

30

6568726

HANDLE W/Keys - Use with Old Style Latch

31

75G1016

BOLT Use with Old Style Latch

32

6579510

DECAL

33

6563410

DECAL

34

6564833

SAFETY TREAD

35

35C520

BOLT

36

6568164

SHIELD

37

6555351

SEAL bulk - sold per foot

38

6631008

ARM

39

NUT NSS

40

SEAL NSS

41

6630943

BLADE Wiper

42

25G510

BOLT

43

6568705

WINDOW 1/4'' Plastic - SEE NOTE

44

6647635

KNOB Use with New Style Latch

45

7G416

BOLT Use with New Style Latch - Was 7G000412B - B

46

45G1008

BOLT Use with New Style Latch

47

DOOR NLA - 1/4'' Hinge Pin - W/Ref. 29 & 43 - Order Ref. 1

47

DOOR NLA - 3/8'' Hinge Pins - W/Ref. 29 & 43 - Order 6704430 Door, 6704425 Rod, 6704428 Shield & Ref. 45, 46, 49, 53 & 55

47

6704430

DOOR For use with New Style Latch - Was 6704431 - D

48

6620642

MOTOR W/Ref. 39 & 40

48

GEAR NLA - Was 6631927 - A

48

961528

PK PARTS

48

6631928

SHAFT

49

46D5

NUT

50

6632560

KEY

51

6569352

SPACER

52

6568620

COVER

53

6704426

RETAINER Use with New Style Latch - Was 6578398 - A

54

6631935

HANDLE Use with New Style Latch

55

6641274

LATCH New Style - W/Ref. 44, 50 & 58

56

50D10

LOCKNUT Use with Old Style Latch

57

7160765

NUT Was 6660988 - A

58

6662834

SPRING

59

6665409

KEY

60

6708990

KIT Window retainer - Ref. 42, 61, 62 & 6724279 Instructions

61

6708850

RETAINER

62

61D5

NUT

63

6566956

INSTRUCTIONS Use with Old Style Latch

63

6570264

INSTRUCTIONS Use with New Style Latch

63

6724279

INSTRUCTIONS window retainer

64

6568708

KIT cab enclosure - includes LH hinged door, shield kit, top window, side windows & rear window

Выбрано товаров: 76