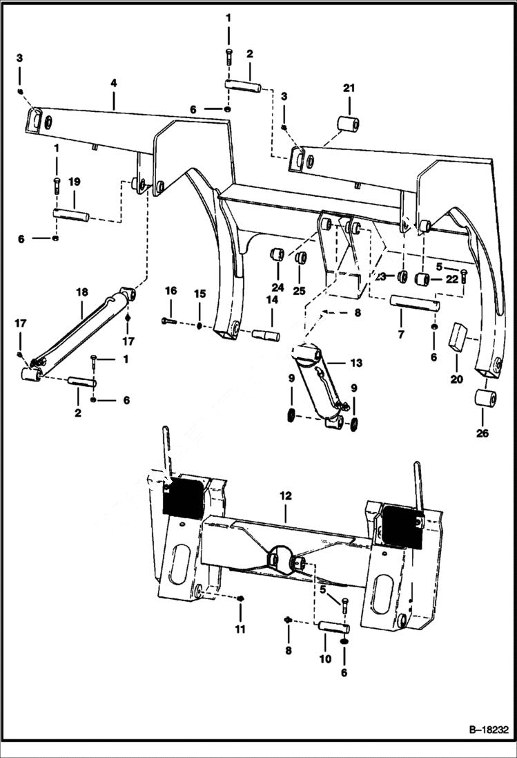
Запчасти Bobcat 800s LIFT ARMS & BOBTACH MAIN FRAME

Схема запчастей Bobcat 800s - LIFT ARMS & BOBTACH MAIN FRAME
FIT
1:1
100%

Артикул

Название

Примечание

Количество

1

17C640

BOLT 5

2

6559002

PIN

3

10H35

FITTING, GREASE 10 1/4/2028

3

10H25

FITTING, GREASE 5 1/8/2027

4

6564160

LIFT ARM

5

17C632

BOLT 5

6

85D6

NUT, 5

7

6704288

PIN, PIVOT Was 6553061 - A

8

10H25

FITTING, GREASE 5

9

6513605

SEAL

10

6703572

PIN, PIVOT Was 6560704 - A

11

743332

FITTING, GREASE 5

12

BOB-TACH See Illustration BOB-TACH/ B18238

13

CYLINDER See Illustration TILT CYLINDER/ C2546 TILT

14

6559018

PIN, PIVOT BOB-TACH

15

6576033

WASHER Was 6558465 - A

16

31C1224

BOLT Was 35C001224B - A

17

11H25

FITTING10

18

CYLINDER See Illustration LIFT CYLINDER/ B18249 LIFT

19

6547593

PIN, PIVOT

20

6563335

STOP

21

6579117

BUSHING Weld On - Was 6558986 - A

22

6558992

BUSHING Weld On

23

6558991

BUSHING Weld On

24

6558803

BUSHING Weld On

25

6558779

BUSHING Weld On

26

6559838

BUSHING Weld On

Выбрано товаров: 27