Запчасти Bobcat 800s MAIN FRAME MAIN FRAME

Схема запчастей Bobcat 800s - MAIN FRAME MAIN FRAME
FIT
1:1
100%

Артикул

Название

Примечание

Количество

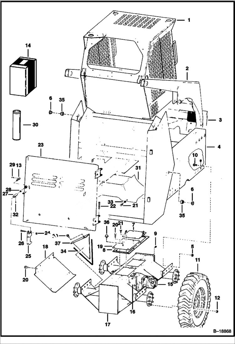
1

CAB See Illustration OPERATOR CAB/ B18428 - SALES

2

LIFT ARM See Illustration LIFT ARMS & BOBTACH/ B18870

3

BOB-TACH See Illustration BOB-TACH/ B18871

4

6576709

MAIN FRAME Was 6569374 - A

5

85D12

NUT, 5

6

6555989

BUSHING weld On

7

COVER See Illustration DISC BRAKES/ D1553

8

6703117

GASKET, TRANSMISSION Was 6553833 - A

9

40K12

PLUG

10

31C1228

BOLT flange head

11

TIRE See Illustration TIRES & RIMS/ TS1086 See Illustration TIRES & RIMS/ B18324

12

6564669

NUT, 10 wheel - Was 6519169 - A

13

6565629

SCREW

14

6579448

LATCH KIT kit - Ref. 13, 24-29 & 32

15

MOTOR See Illustration HYDROSTATIC MOTOR/ D1526

16

GEARCASE See Illustration GEARCASE/ B18246

17

CHAINCASE See Illustration DRIVE TRAIN/ B18440

18

6576557

COVER

19

COVER See Illustration DISC BRAKES/ D1553

20

84G3712

BOLT 5

21

84G3716

SCREW 5

22

6564340

PIN

23

6704328

REAR DOOR Was 6565073 - A

24

85D5

NUT 5

25

6563681

HANDLE

26

38C624

BOLT 5 Was 6564599 - A

27

6565628

NUT

28

6565627

NUT

29

6599361

PIN

30

6632501

SEALANT Use to fill seam on top of chaincase

31

6576745

COVER dust

32

33G404

SET SCRW5

33

25E17

WASHER 5

34

6513152

SEAL bulk - sold per foot - Order 20'' (508 mm) per side

35

6555987

BUSHING weld on

36

6632601

BREATHER

37

6577810

SHIELD

Выбрано товаров: 37