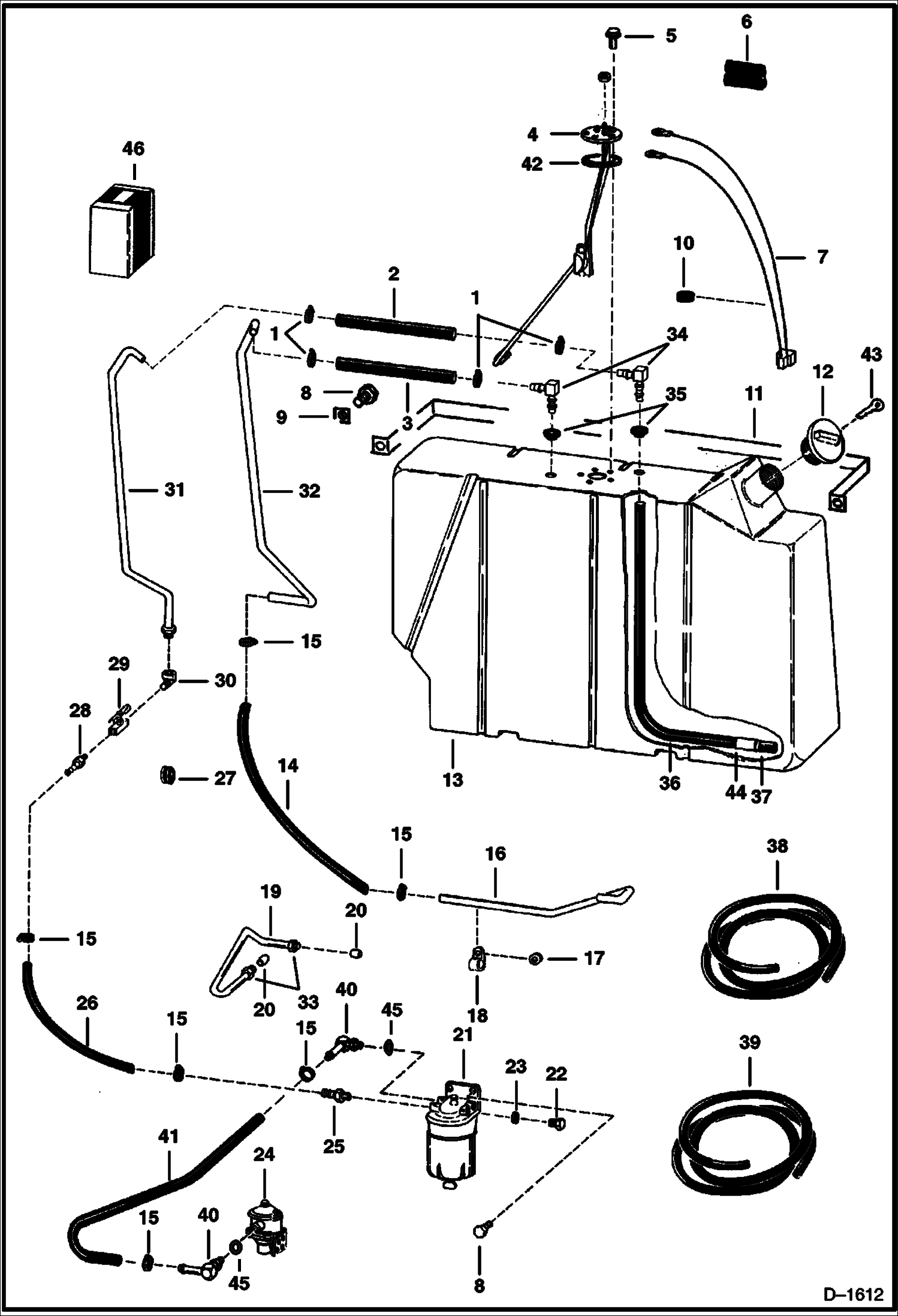
Запчасти Bobcat 800s FUEL SYSTEM (S/N 11895 & Above) MAIN FRAME

Схема запчастей Bobcat 800s - FUEL SYSTEM (S/N 11895 & Above) MAIN FRAME
FIT
1:1
100%

Артикул

Название

Примечание

Количество

1

42HS04

CLAMP, HOSE Was 6515575 - A

2

HOSE NLA - 11-1/2'' (292,1 mm) - Order Ref. 38

3

HOSE NLA - 5-1/2'' (139,7 mm) - Order Ref. 38

4

6562552

SENDER

5

85G1008

SCREW

6

6562606

SEAL

7

6560117

WIRE

8

84G3716

SCREW 5

9

6559447

WASHER square

10

742876

GROMMET

11

6562605

BAND

12

6661114

CAP. DIESEL Green - Was 6632468 - A

12

CAP NLA - locking - Code GC020 - Was 6654373 - A

12

6661696

CAP, FUEL LOCKING locking-Code PK510 - W/Ref. 43

13

TANK NLA - Was 6565516 - A

14

HOSE NLA - 23'' (584,2 mm) - Order 38

15

42H6

HOSECLAM5

16

6562514

TUBE

17

228686

WASHER

18

30H16

CLIP

19

TUBE NLA - Order Ref. 15, 40 & 41 - See Service Bulletin 843-003

20

3727375

FERRULE

21

6513104

TRAP water

21

6598739

GASKET Upper

21

6598740

GASKET Lower

22

6515682

PLUG

23

6515466

WASHER

24

FUEL PUMP See Illustration FUEL LINES/ C2670

25

1324240

CONNECTOR

26

HOSE NLA - 20-1/2'' (520,7 mm) - Order Ref. 39

27

6515603

GROMMET

28

6513421

CONNECTOR

29

6562553

VALVE shut off

30

62F4

ELBOW

31

6562608

TUBE

32

6562607

TUBE

33

3727374

NUT

34

6598908

ELBOW

35

6553411

BUSHING 0.38'' ID

36

6569752

HOSE BULK/FT bulk - Sold Per Foot - Was 6564193 - A

37

6650239

SCREEN, FUEL PICKUP Was 6598911 - A

38

6577821

HOSE bulk - sold per foot

39

6577822

HOSE bulk - sold per foot

40

ELBOW NLA - W/Ref. 41 - flat boss face - Was 6657083 - A

40

6715183

ELBOW W/Ref. 41 - check boss face to determine correct replacement o-ring

41

HOSE NLA - 16'' (406,4 mm) - Order Ref. 39

42

6630972

GASKET

43

6654374

KEY Code GC020

43

6587458

KEY Code PK510

44

6661213

RING, COMPRESSION

45

79K5

O RING 10 flat boss face

45

99K5

O-RING tapered boss face

Выбрано товаров: 52