Запчасти Bobcat 800s ENGINE & ATTACHING PARTS POWER UNIT

Схема запчастей Bobcat 800s - ENGINE & ATTACHING PARTS POWER UNIT
FIT
1:1
100%

Артикул

Название

Примечание

Количество

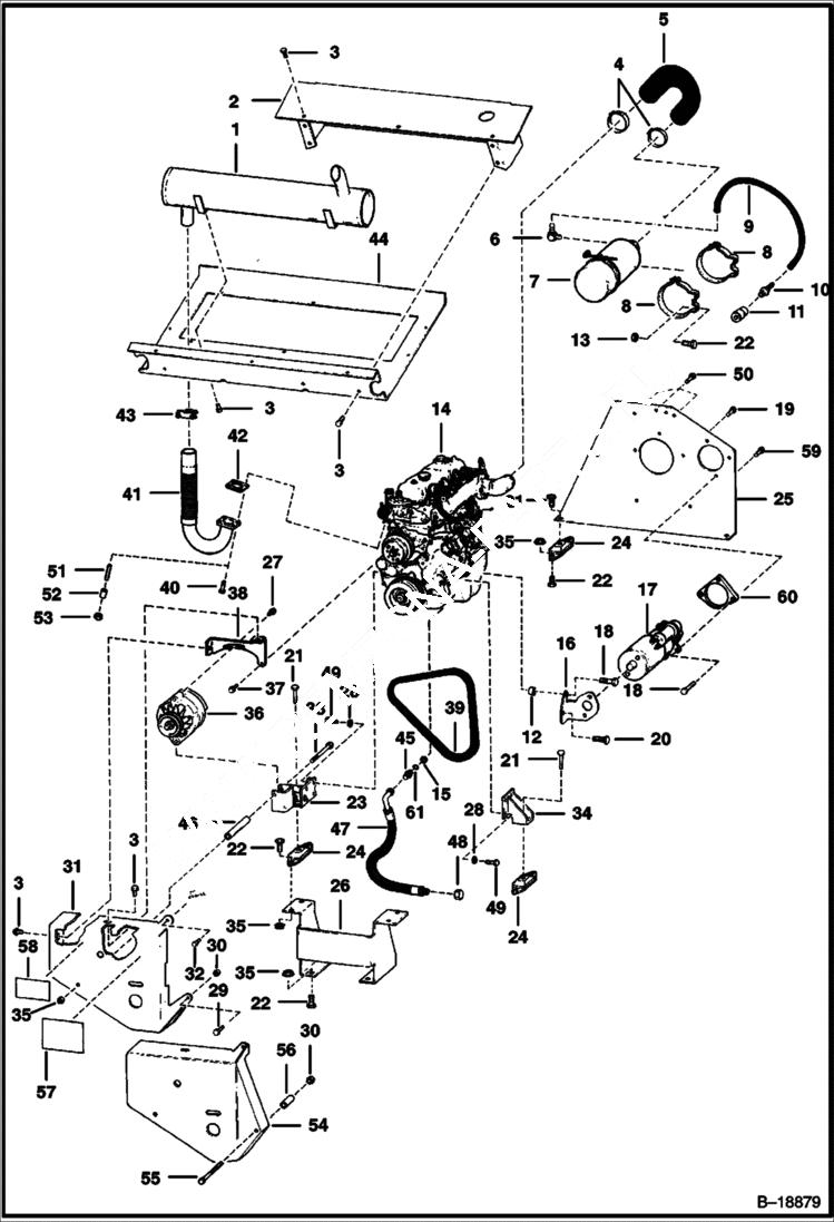
1

6559954

MUFFLER, SPARK ARRESTOR spark arrestor

2

6567720

SHIELD

3

84G3712

BOLT 5

4

42HL300

CLAMP Was 6598799 - A

5

6568990

HOSE

6

6598753

ELBOW 90 degree

6

6563452

FITTING straight

7

AIR CLEANER See Illustration AIR CLEANER/ B13147 See Illustration AIR CLEANER/ B18168

8

6516191

BAND Was 871610B - A

9

6557720

HOSE bulk - Sold Per Foot

10

6505813

CONNECTOR

11

6515007

GAUGE

12

6701628

SPACER

13

61D6

NUT 5

14

ENGINE See Illustration ENGINE/ E1686

15

6667583

GASKET Was 6631890 - A

16

6701618

BRACE For starter 6651664

16

6568986

MOUNT For starter 6630181 REM

17

STARTER See Illustration STARTER/ D2119 See Illustration STARTER/ B18270

18

5CM1030

BOLT

19

5CM1225

BOLT Was 5CM01224B - B

20

5CM1016

BOLT

21

1CM1230

BOLT

22

17C618

BOLT

23

6702896

MOUNT Was 6578407 - A

24

6646709

MOUNT, ENG

25

6577193

MOUNT

26

6577192

MOUNT

27

35C516

BOLT 10

28

7EM100

LOCKWSHR

29

35C528

SCREW

30

85D5

NUT 5 Was 61D000005B - B

31

SHIELD NLA - Order Ref. 54-58 - Was 6701040 - A

32

1CM812

BOLT

33

17C6104

BOLT

34

6578405

MOUNT

35

83D6

NUT 5

36

ALTERNATOR See Illustration ALTERNATOR/ C3312 See Illustration ALTERNATOR/ D1760

37

29CM825

BOLT

38

6568897

BRACKET

39

6655314

BELT, ALT

40

6563005

BOLT

41

6703639

EXHAUST PIPE exhaust - Was 6569122 - A

42

6705793

GASKET Was 6569003 - A

43

6677363

CLAMP, FULL CIRCLE Was 657904B - A

44

6567715

SHIELD

45

6701985

ADAPTER

46

6569980

SPACER

47

6571679

HOSE

48

36K6

CAP

49

6659937

BOLT Was 3984320B - A

50

5CM1022

BOLT

51

6631734

STUD

52

6625291

SPACER

53

2DM10

NUT

54

6701924

SHIELD

55

17C596

BOLT

56

6702938

SPACER

57

6579511

DECAL

58

6576441

DECAL

59

6CM1225

BOLT

60

6562264

BLOCK

61

58K016

O-RING 10

Выбрано товаров: 63