Запчасти Bobcat 800s DRIVE TRAIN DRIVE TRAIN

Схема запчастей Bobcat 800s - DRIVE TRAIN DRIVE TRAIN
FIT
1:1
100%

Артикул

Название

Примечание

Количество

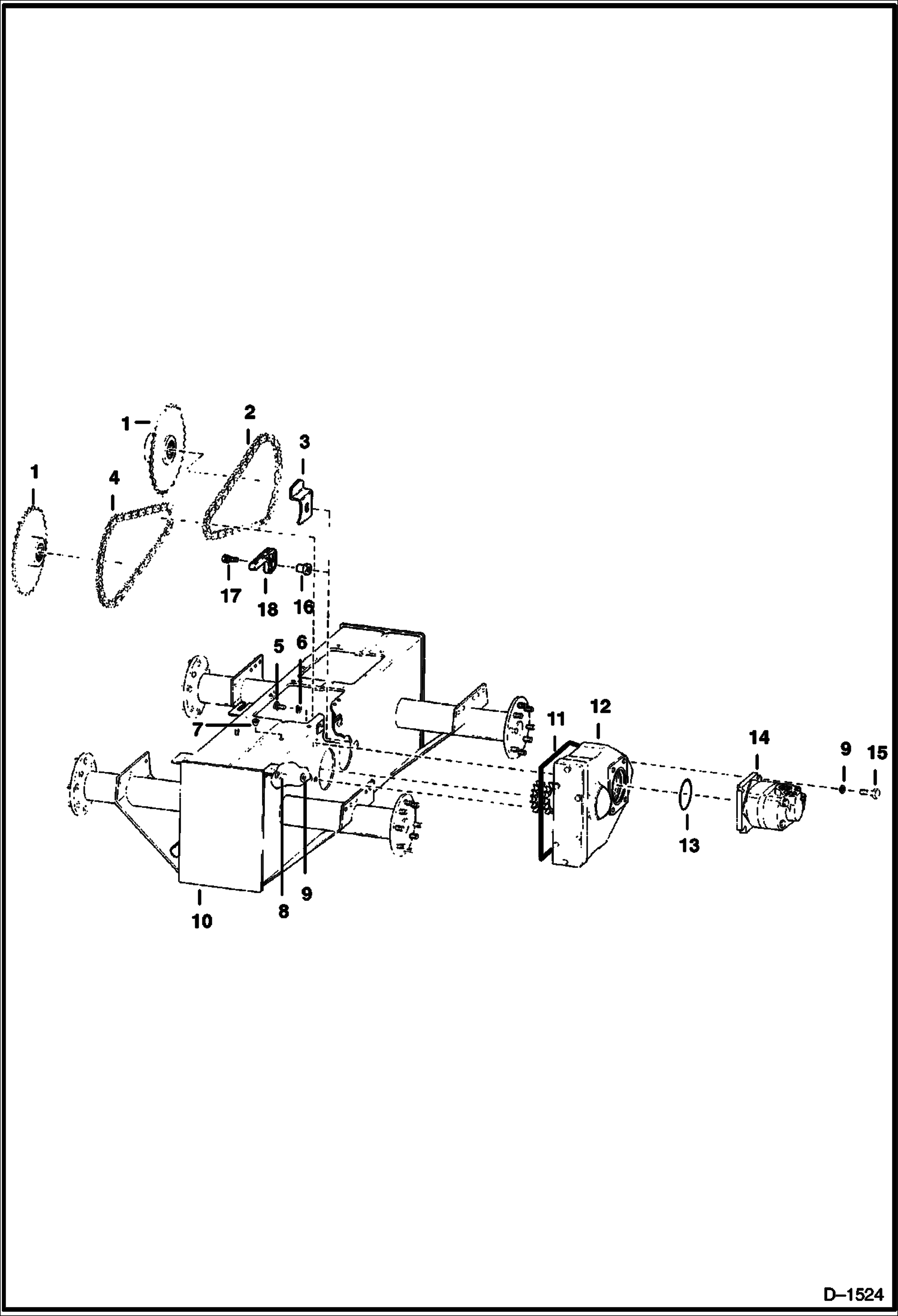
1

6568918

SPROCKET, AXLE

2

CHAIN NLA - W/Connector Link - Oval - Order 6685130 chain - was Figure 8, oval chain will not work on this application - Was 6564229 - B

2

6685130

CHAIN W/Connector Link - figure eight

2

6510614

LINK connector - Use for Diamond & Daldo chain

2

6591030

LINK connector - Tsubaki

3

CHAIN GUIDE NLA - Order Ref. 16-18

4

6564228

CHAIN W/Connector Link

4

6510614

LINK connector - Diamond

4

6591030

LINK connector - Tsubaki

5

17C1228

BOLT

6

6576033

WASHER Was 6558465 - A

7

6558506

PLUG breather

8

17C820

BOLT

9

6701097

WASHER Was 6803867 - A

10

6576718

CHAINCASE Was 6562503 - A

11

6558518

O-RING

12

GEARCASE See Illustration GEARCASE/ B18246

13

25K30508

O-RING, 10

14

MOTOR See Illustration HYDROSTATIC MOTOR/ D1526

15

17C828

BOLT

16

6569807

BUSHING

17

17C1252

BOLT

18

6569808

CHAIN GUIDE plastic

Выбрано товаров: 23