Запчасти Bobcat 800s ENGINE & ATTACHING PARTS POWER UNIT

Схема запчастей Bobcat 800s - ENGINE & ATTACHING PARTS POWER UNIT
FIT
1:1
100%

Артикул

Название

Примечание

Количество

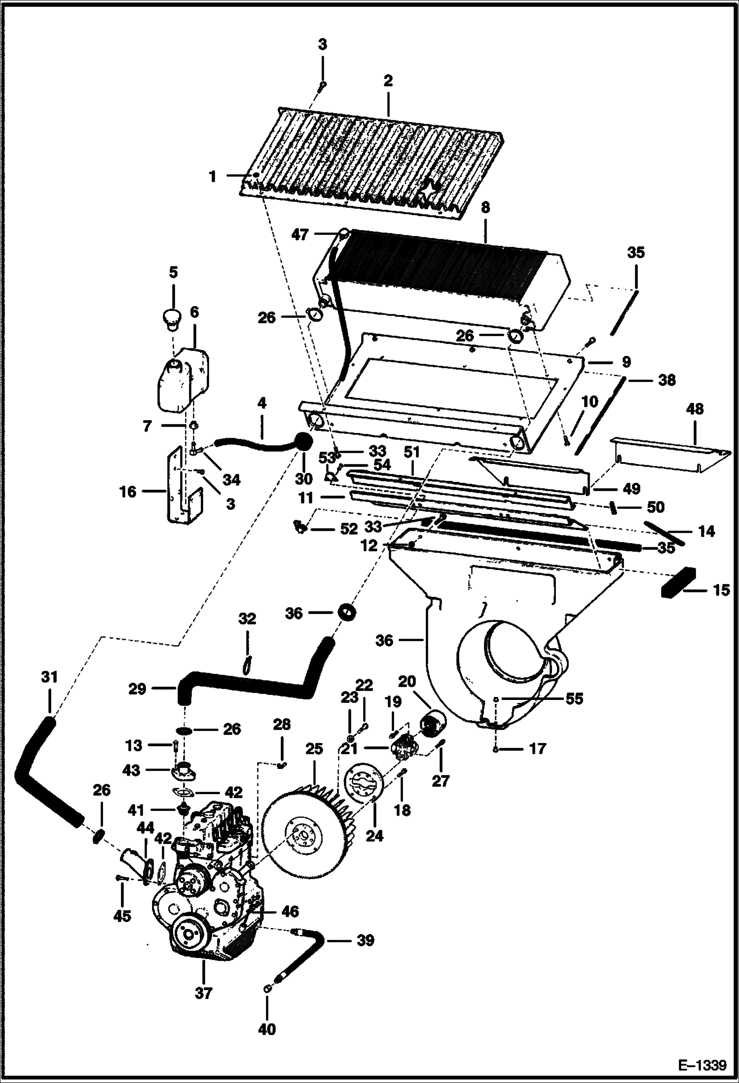
1

57D6

NUT 5

2

GRILL NLA - Was 6567867 - A

3

84G3712

BOLT 5

4

6562603

HOSE

5

6702797

CAP Was 6558658 - A

6

TANK NLA - Without Barbed Fitting - Order 6576660 - Was 6562509 - A

6

6576660

TANK, WATER COOLANT W/bottom molded barbed elbow

7

6553411

BUSHING Not Used With 6576660 Tank

8

6630558

RADIATOR

9

6562068

SHIELD

10

1C506

BOLT Was 17C000506B - A

11

6559957

SHIELD

11

6564284

COVER

12

83D6

NUT 5

13

18C622

BOLT

14

4126590

MOULDING bulk - sold per foot

15

6560690

STRIP foam

16

6562513

MOUNT

17

RIVET NLA - Order 35C-620 & 59D-6 - Was 1316539 - A

17

35C620

BOLT 5

18

17C624

BOLT 5

19

94G524

BOLT 5

20

6562879

YOKE, POWER TRANSFER See Illustration UNIVERSAL JOINT/ B8970

21

U-JOINT See Illustration UNIVERSAL JOINT/ B8970 NLA

22

18C822

SCREW

23

6557929

WASHER

24

6562882

ADAPTER

25

6563110

BLOWER wheel - W/Ring Gear

25

6513662

RING GEAR

26

42H32

HS CLAMP5

27

94G516

BOLT 5

28

6513679

VALVE

29

6559952

HOSE

30

6512067

GROMMET

31

6559953

HOSE

32

6610510

TIE

33

84G3716

SCREW 5

34

6553412

ELBOW Not Used With 6576660 Tank

35

6511855

SEAL self adhesive - bulk - sold per foot

36

6562211

BLOWER SHROUD blower

37

ENGINE See Illustration ENGINE/ B18275 PERKINS 4.154

38

6562050

MOULDING

39

6563232

HOSE

40

36K6

CAP

41

6514600

THERMOSTAT

42

6668031

GASKET Was 3725791B - A

43

3679233

CONNECTOR

44

6562985

INLET

45

18C512

BOLT

46

DIPSTICK See Illustration LUBRICATION SYSTEM/ B18278

47

6666606

RADIATOR CAP Was 6630156 - A

48

6564281

RETAINER

49

6564282

RETAINER

50

6559763

MOULDING

51

6564280

RETAINER

52

6598955

LATCH

53

6564286

STOP

54

6598954

RIVET

55

59D6

NUT

Выбрано товаров: 59