Запчасти Bobcat 800s EUROPEAN ACCESSORIES ACCESSORIES & OPTIONS

Схема запчастей Bobcat 800s - EUROPEAN ACCESSORIES ACCESSORIES & OPTIONS
FIT
1:1
100%

Артикул

Название

Примечание

Количество

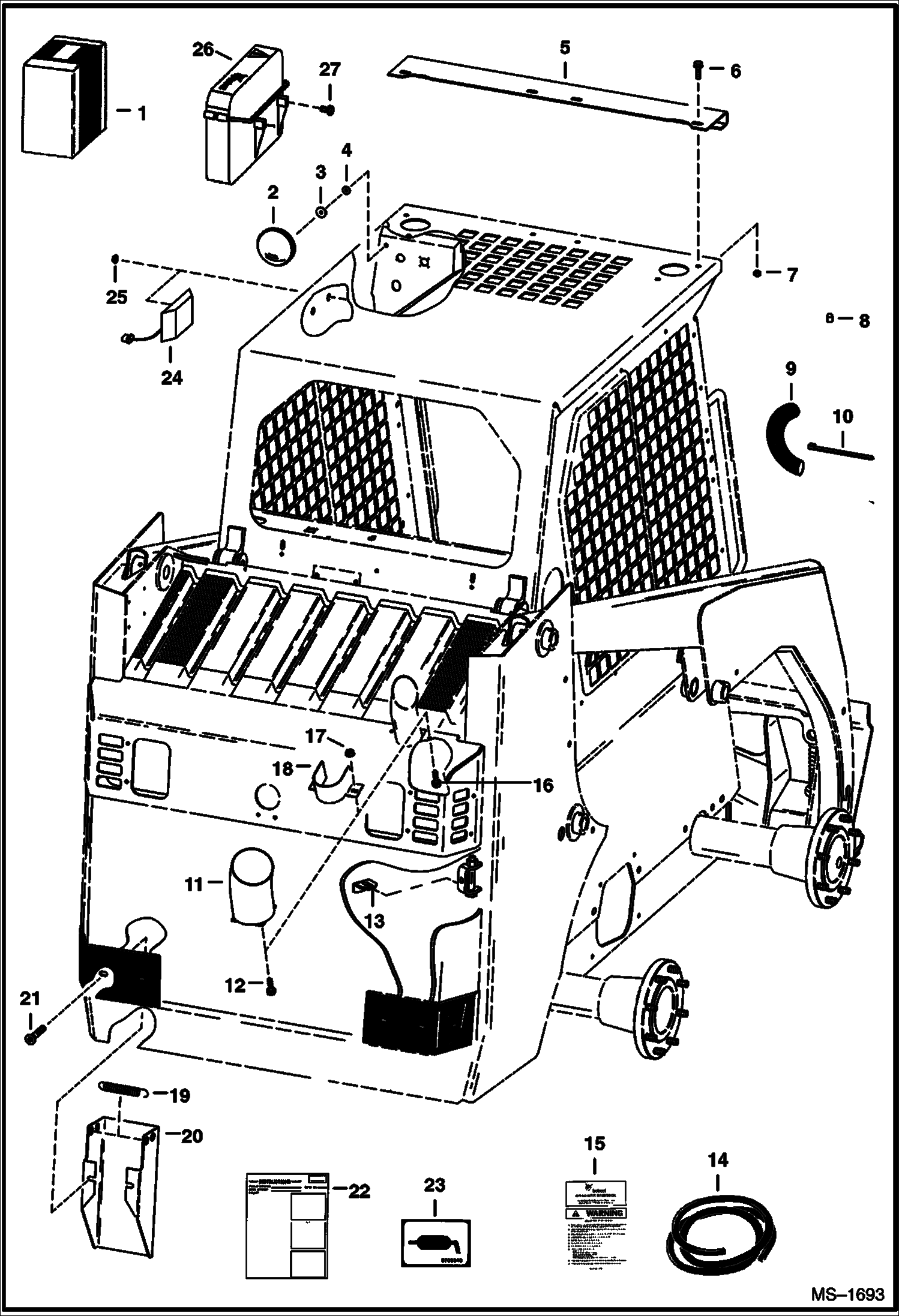
1

KIT SALES - European Access. - Ref. 2 - 14

2

6653388

MIRROR convex

3

6518952

WASHER

4

25E13

WASHER 5

5

6701852

SHIELD

6

35C616

BOLT 5

7

61D6

NUT 5

8

COVER NLA - grease - Order Ref. 23 - Was 6652943 - B

9

COVER NLA - 18'' (457,2 mm) long - Order Ref. 14

10

6610510

TIE Was 1715312B - A

11

6703158

SHIELD exhaust - Use W/Plastic Hood

12

6703697

BOLT Was 59G000816B - B

13

6701883

STOP tailgate

14

6656155

HOSE COVER bulk - sold per foot - 1.25'' (31,8mm) ID

15

6704832

HANDBOOK handbook- 6 Language Operator - W/wire rope - Not in Kit - Was 6720984 - A

15

6558309

WIRE ROPE Also Order (2) of 6558310

15

6558310

SLEEVE wire rope

16

35C412

BOLT

17

57D4

NUT

18

6709092

SHIELD exhaust - Use W/Steel Hood - Was 6704653 - A

19

6700743

SPRING

20

6709379

TOOL HOLDER Was 6705100 - A

21

9G636

BOLT 5

22

6722300

INSTRUCTIONS For Ref. 19-21

23

6705340

DECAL, GREASE

24

6680326

LIGHT Was 6664368 - A

24

6665353

SWITCH

24

6665367

BULB

25

6664221

RETAINER snap in

26

6708827

CONTAINER Manuals

27

6702642

SCREW

Выбрано товаров: 0