Запчасти Bobcat 800s OPERATOR CAB MAIN FRAME

Схема запчастей Bobcat 800s - OPERATOR CAB MAIN FRAME
FIT
1:1
100%

Артикул

Название

Примечание

Количество

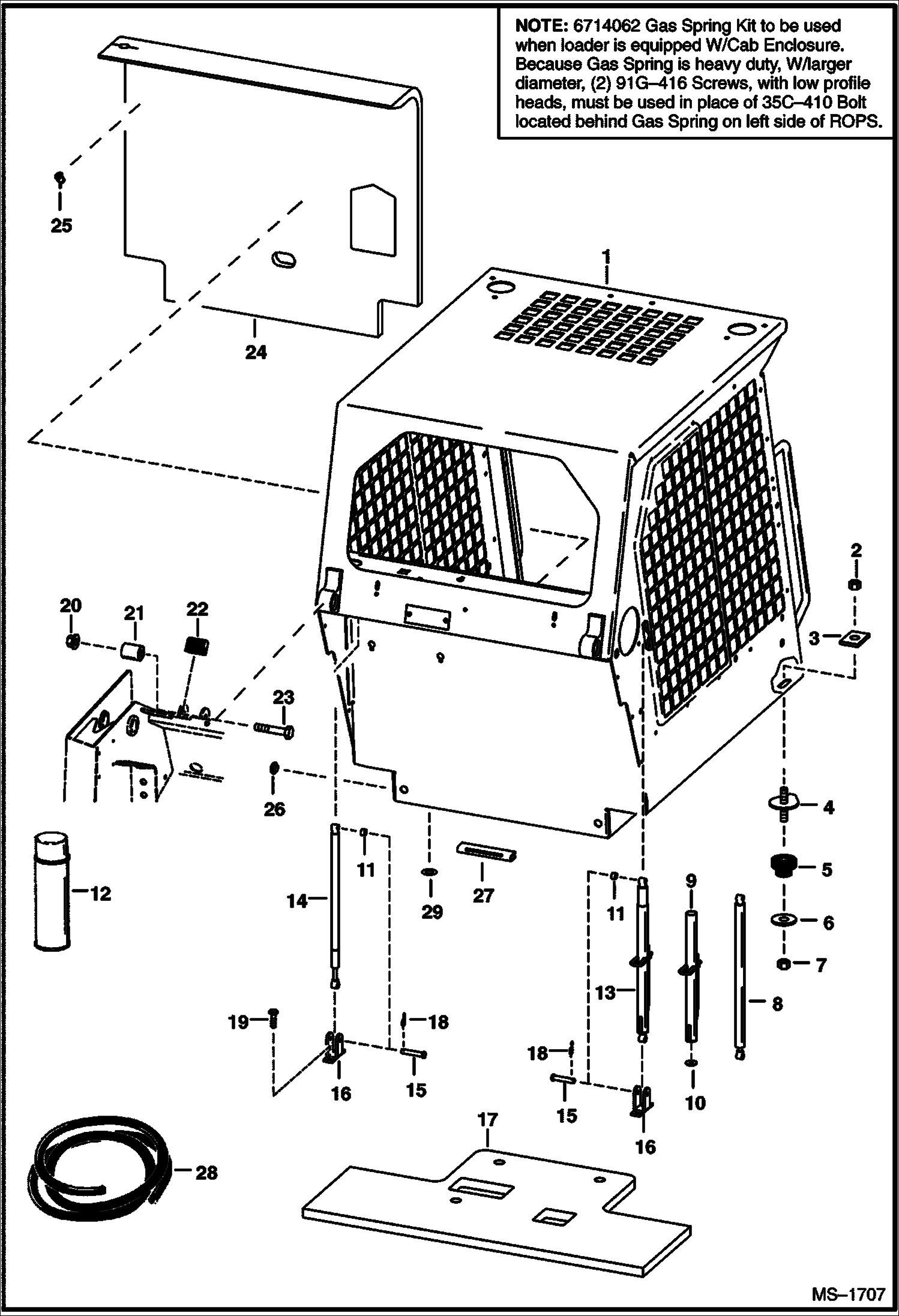
1

6701957

OPERATOR CAB Does NOT include cab decals - Also Order (2) of Ref. 29

2

59D8

NUT 5

3

6553709

WASHER

4

6702971

BOLT

5

6560633

DAMPENER

6

6515817

WASHER

7

85D8

NUT, 5

8

6664205

GAS SPRING Was 6655389 - A

8

6675257

CLEVIS

9

6708189

TUBE stop - Was 6701175 - A

10

6701174

WASHER

11

6567604

SPACER

12

6652818

ADHESIVE insulation - 24 oz. spray can

13

GAS SPRING NLA - Order Ref. 8-10 - Was 6701176 - A

14

6700171

GAS SPRING w/o lock - also order 6675257, clevis - Was 6706590 - A

14

6714062

KIT W/O Lock - Heavy Duty, Gas Spring - See Note

14

91G416

SCREW SEE NOTE

14

6900531

INSTRUCTIONS For Kit 6714062

15

6567743

PIN

16

6706349

MOUNT Was 6576340 - A

17

6706982

INSULATION seat pan - Use W/Ref. 12 - Was 6700286 - A

18

6631418

RING, RETAINING

19

84G3112

BOLT 5

20

53D10

NUT Was 83D000010B - B

21

6562602

BUSHING rubber

22

6579613

STOP cab tilt

23

17C1056

BOLT

24

6706569

INSULATION seat back - Use W/Ref. 12 - Was 6701553 - A

24

6708682

INSULATION seat back - shown - Use W/Ref. 25 - Was 6705816 - A

25

6664310

CLIP insulation

26

6664374

PLUG heater hole

27

SEAL NLA - 6''(152,4 mm) long - Order Ref. 28

28

6512686

MOULDING bulk - Sold Per Foot

29

6571991

GUIDE spacer - for seat rear mounting bolts - Was 6707318 - A

Выбрано товаров: 34