Качественные детали и логистика
Оригинальные и аналоговые запчасти с доставкой по России, Казахстану и Беларуси
©2022 PartSell ООО "Система" ИНН 2463123282 ОГРН 1212400004838
Центральный офис: г. Красноярск, Академика Киренского, д.87, пом.4
Телефон: 8 (800) 777-65-74 Email: zakaz@partsell.ru
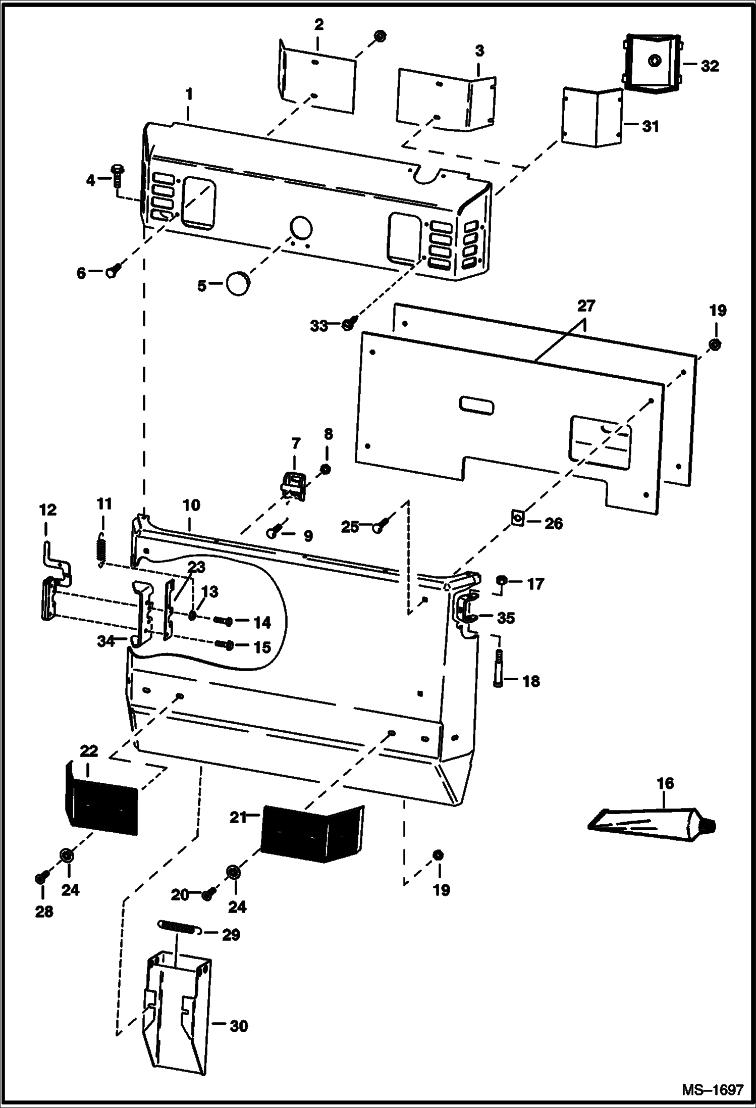
REAR DOOR
№
Артикул
Название
Примечание
Количество
1
6703868
HOOD steel
2
6704682
COVER
3
6704683
4
84G3716
SCREW 5
5
6718796
PLUG Was 6660646 - A
6
17C412
BOLT 5
7
6715157
STRIKER ASSY. Was 6579969 - A
8
83D8
NUT 5
9
37C820
BOLT
10
6708624
REAR DOOR Was 6704639 - A
11
6563128
SPRING
12
6649420
LATCH, REAR DOOR
13
57D4
NUT
14
17C424
15
31C420
16
6649835
ADHESIVE Use W/Ref. 21 & 22
17
59D6
18
38C856
19
83D6
20
9G628
21
6577400
BUMPER bond - W/Ref. 16
22
6577401
23
6704464
GUIDE latch
24
6704332
WASHER
25
37C624
26
1612281
SPRINGNUT
27
6712177
WEIGHT Was 6704638 - A
28
9G636
29
6700743
30
6709379
TOOL HOLDER Was 6705100 - A
31
6703797
LENS See Illustration LIGHT KIT/ B20367 - light option only
32
6704362
HOUSING See Illustration LIGHT KIT/ B20367 - light - light option only
33
6706517
SCREW See Illustration LIGHT KIT/ B20367 - self tapping - light option only - Was 6704400 - A
34
6700279
BRACKET weld on
35
6577395
HINGE
Выбрано товаров: 0