Запчасти Bobcat 800s FUEL SYSTEM MAIN FRAME

Схема запчастей Bobcat 800s - FUEL SYSTEM MAIN FRAME
FIT
1:1
100%

Артикул

Название

Примечание

Количество

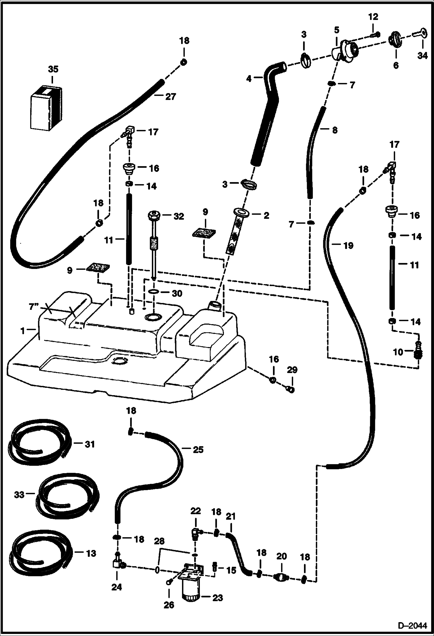
1

6708527

TANK, FUEL Was 6579125 - A

2

7120881

SCREEN, FILLER Was 6569219 - A

3

42H32

HS CLAMP5 Was 6513595 - A

4

6579274

HOSE

5

6701449

FILLER TUBE

6

6661114

CAP. DIESEL green fuel fill - W/Ref. 34 - Was 6632468 - A

6

CAP NLA - locking -Code GC020 - W/Ref. 34 - Was 6654373 - A

6

6661696

CAP, FUEL LOCKING locking - Code PK510 - W/Ref. 34

7

42H10

HOSECLAM5

8

HOSE NLA - 31'' (787,4 mm) long - Order Ref. 13

9

6578278

PAD self adhesive one side

10

6650239

SCREEN, FUEL PICKUP

11

6569752

HOSE BULK/FT 13'' (330,2 mm) - Was 6579554 - A

12

6706517

SCREW Was 6579119 - A

13

6578172

HOSE bulk - sold per foot

14

6661213

RING, COMPRESSION

15

6658180

PLUG, BLEED

16

6553411

BUSHING 0.38'' ID

17

6598908

ELBOW

18

42HS04

CLAMP, HOSE Was 6515575 - A

19

HOSE NLA - 30'' (762 mm) long - Order Ref. 33

20

6657734

PUMP, PRIMER HAND 124 mm (4.88'') long

21

HOSE NLA - 13.5'' (342,9 mm) long - Order Ref. 33

22

6657042

ELBOW

23

6667353

FILTER ASSY W/Ref. 15 - Was 6657020 - A

23

6667352

FILTER, FUEL W/SEPARATOR 12 Was 6647773 - A

23

72F1

FITTING

24

ELBOW NLA - W/Ref. 28 - Flat Boss Face - Was 6657083 - A

24

6715183

ELBOW W/Ref. 28 - Check Boss Face to Determine Correct Replacement O-Ring

25

HOSE NLA - 16'' (406,4 mm) long - Order Ref. 31

26

84G3110

SCREW

27

HOSE NLA - 51'' (1295,4 mm) long - Order Ref. 33

28

79K5

O RING 10 Flat Boss Face

28

99K5

O-RING

29

6599645

PLUG, STEEL

30

79K14

O RING 10 Was 79K000020B - B

31

6577822

HOSE bulk - sold per foot

32

6658958

SENSOR fuel - W/Ref. 30

33

6577821

HOSE bulk - sold per foot

34

6654374

KEY Code GC020

34

6587458

KEY Code PK510

Выбрано товаров: 41