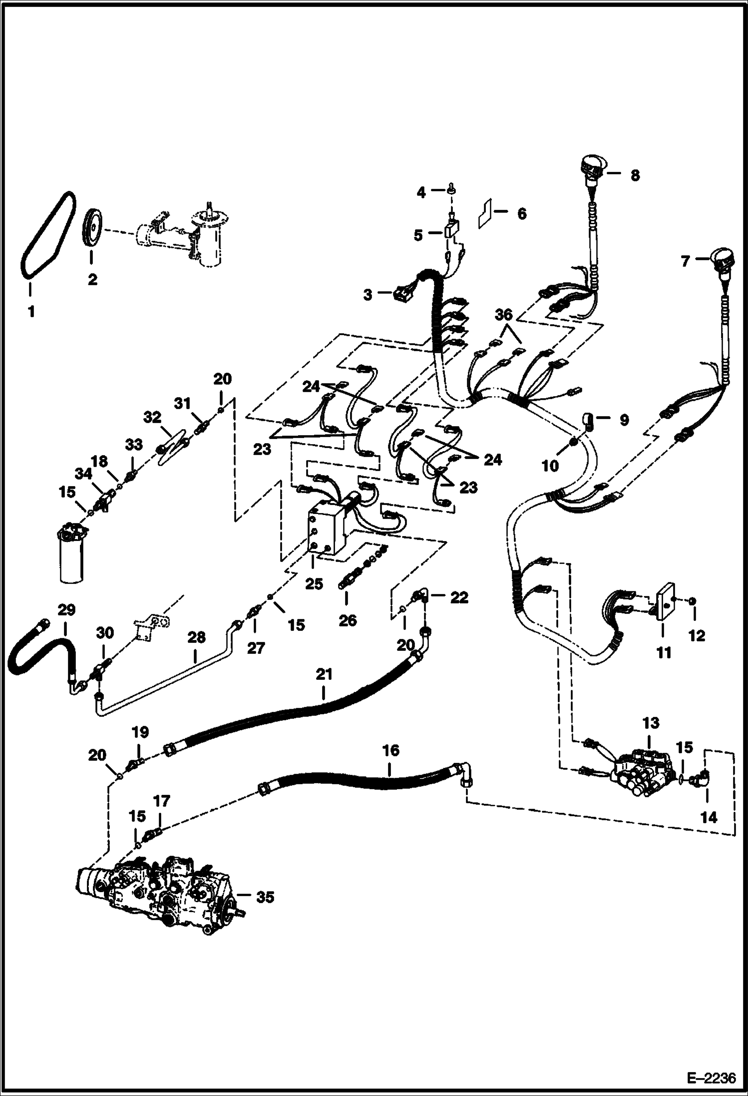
Запчасти Bobcat 800s HIGH HORSEPOWER HYDRAULICS (S/Ns 5128 11001 & Above - W/O Apitech Valve) HIGH FLOW HYDRAULICS

Схема запчастей Bobcat 800s - HIGH HORSEPOWER HYDRAULICS (S/Ns 5128 11001 & Above - W/O Apitech Valve) HIGH FLOW HYDRAULICS
FIT
1:1
100%

Артикул

Название

Примечание

Количество

1

6659248

BELT

2

6703483

PULLEY, FAN DRIVE IDLER

3

6706471

HARNESS

4

6515510

COVER switch

5

6658858

SWITCH

6

6706508

DECAL

7

6706567

KIT See Illustration HANDLE KITS/ TS1190 R.H. MULTI SWITCH HANDLE

8

6706568

KIT See Illustration HANDLE KITS/ TS1190 L.H. MULTI SWITCH HANDLE

9

30H42

CLAMP

10

89D6

NUT

11

6671669

MODULE, CONTROL AUX Was 6706215 - C

12

85D4

NUT 5

13

VALVE See Illustration HIGH HORSEPOWER HYDRAULICS/ MS1725

14

17K8

FITTING W/Ref. 15

15

79K12

O RING 10

16

6706937

HOSE

17

18K8

FTG W/Ref. 15

18

79K6

O RING 10

19

18K7

FITTING W/Ref. 20

20

79K10

O RING 10

21

6706434

HOSE

22

17K7

ELBOW W/Ref. 20

23

6703898

HARNESS

24

6703899

DIODE

25

VALVE See Illustration HIGH HORSEPOWER HYDRAULICS/ TS1144 CONTROL

26

VALVE NLA - relief - pressure preset at factory - Was 6658838 - A

26

7219324

VALVE, RELIEF W/ O-rings - pressure to be set in field - Was 6686360 - A

27

6659459

CHECK VALVE inline - W/Ref. 15

28

6706178

TUBE

29

6706938

HOSE

30

6706172

TEE

31

731794

CONNECTR W/Ref. 20

32

6706316

TUBE

33

755056

CONNECTR W/Ref. 18

34

6700599

ELBOW W/Ref. 15

35

PUMP See Illustration HYDROSTATIC PUMP/ E2011

36

6704122

DIODE

Выбрано товаров: 37