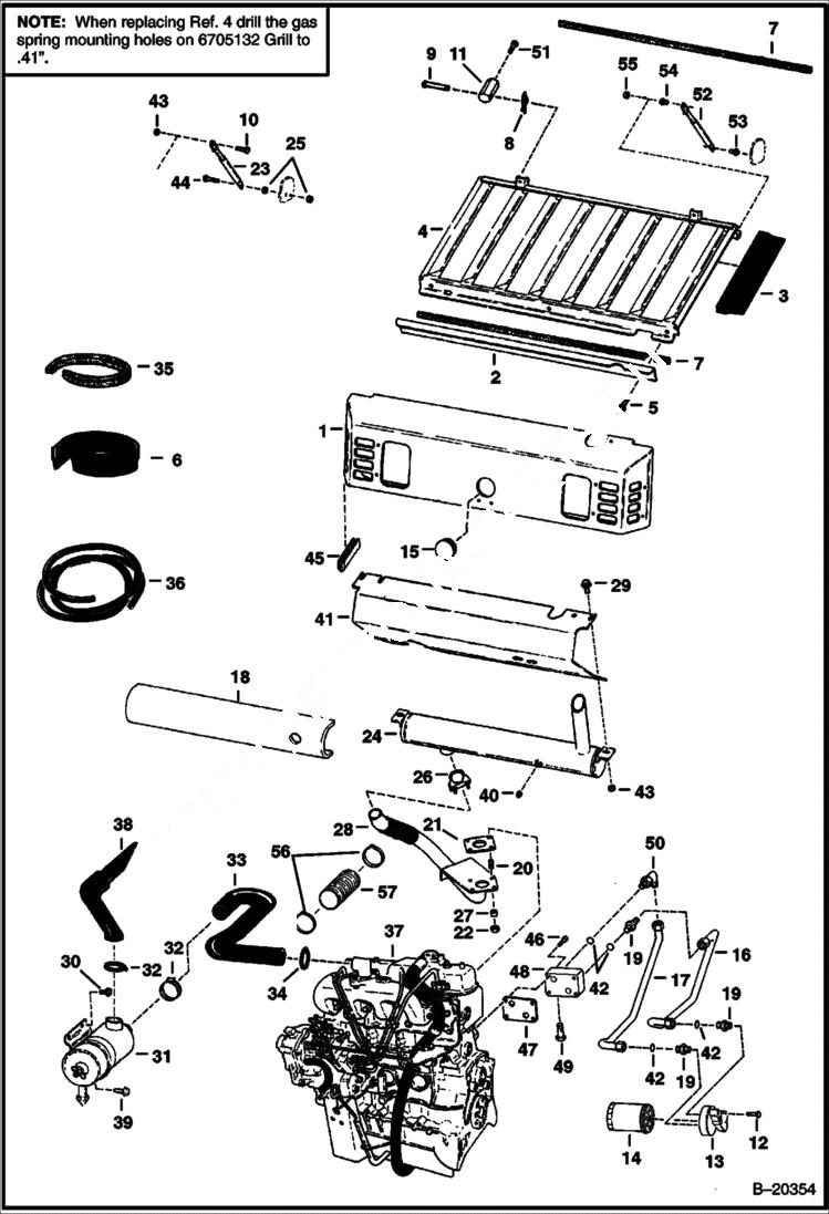
Запчасти Bobcat 800s ENGINE & ATTACHING PARTS (Air Cleaner, Muffler & Grill) (W/ B.O.S.S Option) POWER UNIT

Схема запчастей Bobcat 800s - ENGINE & ATTACHING PARTS (Air Cleaner, Muffler & Grill) (W/ B.O.S.S Option) POWER UNIT
FIT
1:1
100%

Артикул

Название

Примечание

Количество

1

6703868

HOOD steel

2

6708981

BRACKET Was 6703471 - A

3

MOULDING NLA - 19''(482,6 mm) long - Order Ref. 6

4

GRILL NLA - Order 6705132 Grill - See Note - Was 6703813 - A

4

6705132

GRILL

5

84G3112

BOLT 5

6

6646705

SEAL bulk - sold per foot

7

MOULDING NLA - 34.5''(876mm)long - Order Ref. 35

8

6631418

RING, RETAINING

9

6567743

PIN

10

17C612

BOLT 5

11

6579326

MOUNT

12

17C620

BOLT

13

6702762

FILTER HEAD

14

6659329

ELEMENT engine oil

15

6718796

PLUG Was 6660646 - A

16

6702256

TUBE

17

6704546

TUBE

18

6704329

INSULATION

19

15K7

FITTING W/Ref. 42

20

6631734

STUD

21

6705793

GASKET Was 6569003 - C

22

2DM10

NUT

23

GAS SPRING NLA - Order 6674285 qty (1), 6705052 qty (1), 6649244 qty (1) & 61D5 qty (1) - Was 6652946 - A

24

MUFFLER NLA - spark arrestor - Order 6661769 Muffler - Was 6660250 - A

24

6661769

MUFFLER, INSULATED spark arrestor -double insulated

25

61D6

NUT 5

26

6677363

CLAMP, FULL CIRCLE Was 657904B - A

27

6625291

SPACER

28

6660665

PIPE exhaust

29

35C612

BOLT

30

84G3708

SCREW

31

AIR CLEANER See Illustration AIR CLEANER/ B20358

32

42HL300

CLAMP Was 6598799 - A

33

6705282

HOSE W/Ref. 59 & 57 - Was 6700763 - A

34

42H32

HS CLAMP5 Was 6513595 - A

35

6511855

SEAL self adhesive - bulk - sold per foot

36

6512686

MOULDING bulk - sold per foot - Was 6620417 - A

37

ENGINE See Illustration ENGINE & GASKET KITS/ B13269

38

6718237

HOSE Was 6703332 - A

39

84G3712

BOLT 5

40

866104

PLUG brass 3/8'' (9,5 mm)

41

6703812

SHIELD not required for 6661769 Muffler

42

79K10

O RING 10

43

85D6

NUT, 5

44

17C624

BOLT 5

45

MOULDING NLA - 3.5'' (89 mm)long - Order Ref. 36

46

29CM845

BOLT

47

6658690

GASKET

48

6654909

PORT BLOCK

49

6631836

RELIEF VALVE

50

17K7

ELBOW Order Ref. 42

51

17C608

BOLT

52

6674285

GAS SPRING Was 6673758 - A

53

6705052

BALL STUD weld on

54

6649244

BALL STUD

55

61D5

NUT

56

6664004

CLAMP

57

6706394

SHIELD 203 mm (8'') long - Was NLA - D

Выбрано товаров: 59