Запчасти Bobcat 800s EUROPEAN ACCESSORIES (Sound Option) (SEE NOTE) ACCESSORIES & OPTIONS

Схема запчастей Bobcat 800s - EUROPEAN ACCESSORIES (Sound Option) (SEE NOTE) ACCESSORIES & OPTIONS
FIT
1:1
100%

Артикул

Название

Примечание

Количество

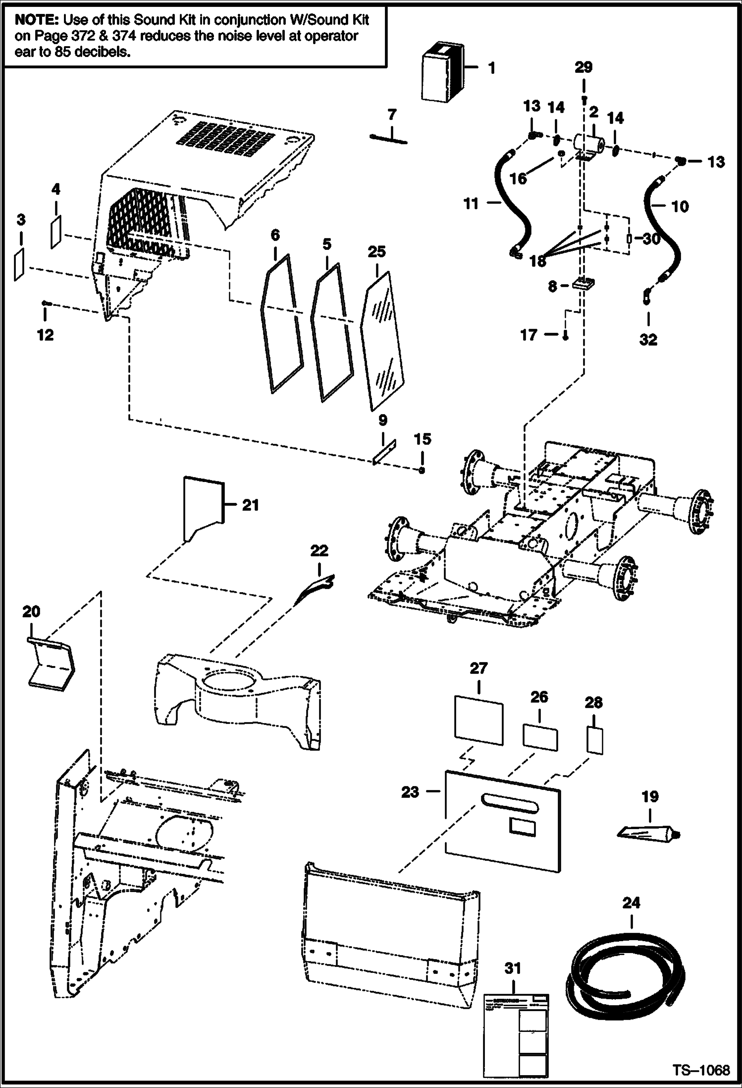
1

6704849

SOUND KIT Ref. 2 - 31

2

6659982

MUFFLER Was 6703648 - A

3

6579385

DECAL sound level warning- 85 decibel

4

6579406

DECAL sound level warning-106 decibel

5

6631548

LOOP scotchmate

6

6631549

HOOK scotchmate

7

6633498

STA STRAP

8

MOUNT NLA - rubber - Order 6705333 Mount & Ref. 18 & 31 - Was 6705333 - C

8

6705333

MOUNT rubber

9

6700875

RETAINER window

10

6703461

HOSE

11

6703462

HOSE 28''(711,2 mm) long W/ 90 degree

11

6706240

HOSE 49''(1244,6 mm)long W/45 degree

12

17C410

BOLT 10

13

17K8

FITTING W/Ref. 14

14

79K12

O RING 10

15

61D4

NUT 5

16

85D6

NUT, 5 Was 61D000006B - B

17

35C616

BOLT 5

18

6562619

BUSHING

19

6633583

SEALANT, POLYURETHANE 300 ML

20

6703331

INSULATION air inlet

21

6719332

INSULATION blower housing - Was 6703453 - A

22

INSULATION NLA - blower housing - Was 6703454 - A

23

6703456

INSULATION rear door

24

6555351

SEAL bulk - sold per foot

25

6702731

WINDOW, CAB cab

26

6579511

DECAL warning

27

6708212

DECAL service - Was 6578218 - A

28

6703329

DECAL filters

29

84G3724

BOLT

30

6715744

BUSHING

31

6722242

INSTRUCTIONS

32

6519195

ELBOW

Выбрано товаров: 34