Запчасти Bobcat 800s SOUND OPTION (90 Decibels) (S/N 5101 27182 & Above) ACCESSORIES & OPTIONS

Схема запчастей Bobcat 800s - SOUND OPTION (90 Decibels) (S/N 5101 27182 & Above) ACCESSORIES & OPTIONS
FIT
1:1
100%

Артикул

Название

Примечание

Количество

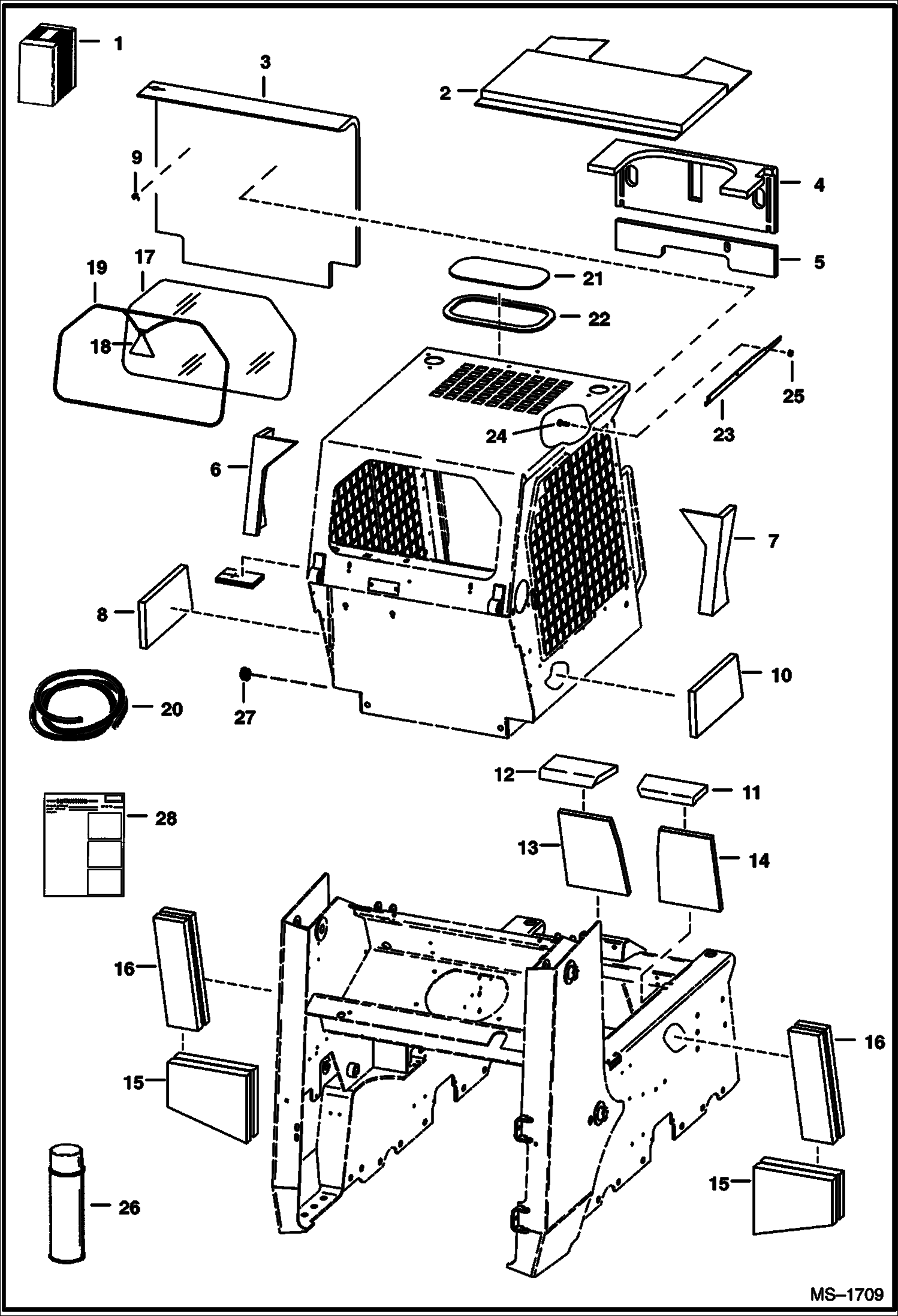
1

SOUND KIT SALES - Ref. 2 - 20 & 22

2

6706155

INSULATION CAB TOP - Use W/Ref. 9

3

6708682

INSULATION SEAT BACK - Use W/Ref. 9 - WAS 6705816

4

6708181

INSULATION controls panel - Use W/Ref. 26 - Was 6701675 - A

5

6701674

INSULATION controls panel - Use W/Ref. 26

6

6715098

INSULATION cab back - L.H. - Use W/Ref. 9 - Was 6706156 - A

7

6715097

INSULATION cab back - R.H. - Use W/Ref. 9 - Was 6706157 - A

8

6703451

INSULATION cab back - Use W/Ref. 26

9

6664310

CLIP

10

6703452

INSULATION cab back - Use W/Ref. 26

11

6703964

INSULATION crossmember

12

6703963

INSULATION crossmember

13

6732726

INSULATION crossmember - Was 6703965 - A

14

6732725

INSULATION crossmember - Was 6703969 - A

15

6703968

INSULATION transmission

16

7152242

INSULATION, STRIP fender - Was 6703967 - B

17

WIND.REAR NLA - Order 6729730 window - Also Order 2134mm (84'') of 6675387 seal and 6554149 cord - Was 6701651 - A

18

6731478

EXIT TAG Was 6559515 - A

19

EXTRUSION NLA - 81.5'' (2070,1 mm) long - Order Ref. 20

19

CORD NLA - 81.5'' (2070,1 mm) long - Order Ref. 20 - Also Order Ref. 18 (6731478 exit tag)

20

6665568

EXTRUSION bulk - sold per foot - Was 6658352 - B

20

6554149

CORD, BULK/FT bulk - sold per foot

21

6705735

WINDOW top

22

6664351

SEAL Use W/cab headliner

22

6665012

SEAL Use W/O cab headliner

23

6703159

TRACK RH

23

6703160

TRACK LH

24

35C410

BOLT 5

25

83D4

NUT 10

26

6652818

ADHESIVE insulation - 24 oz. spray can - Was 6632469 - A

27

6664374

PLUG heater hole

28

6722197

INSTRUCTIONS

Выбрано товаров: 32