Запчасти Bobcat 800s OPERATOR CAB MAIN FRAME

Схема запчастей Bobcat 800s - OPERATOR CAB MAIN FRAME
FIT
1:1
100%

Артикул

Название

Примечание

Количество

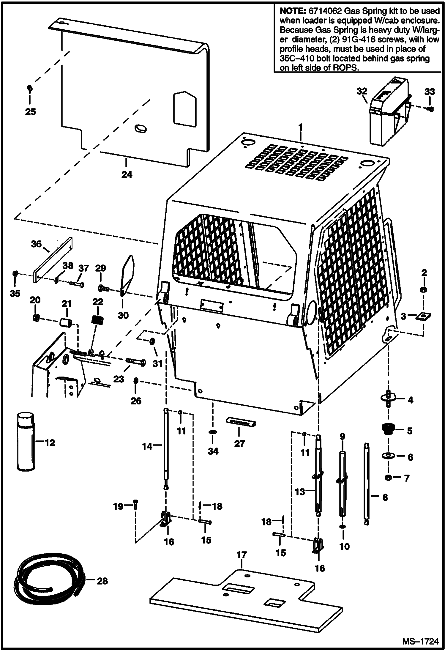
1

6701957

OPERATOR CAB Does NOT include cab decals

2

59D8

NUT 5

3

6553709

WASHER

4

6702971

BOLT

5

6560633

DAMPENER

6

6515817

WASHER

7

85D8

NUT, 5

8

6664205

GAS SPRING also order 6675257, clevis

8

6675257

CLEVIS

9

6708189

TUBE stop - Was 6701175 - A

10

6701174

WASHER

11

6567604

SPACER

12

6652818

ADHESIVE insulation - 24 oz. spray can

13

GAS SPRING NLA - Order Ref. 8-10

14

6700171

GAS SPRING w/o lock - also order 6675257, clevis

14

6714062

KIT Heavy duty gas spring - W/O lock - SEE NOTE

14

91G416

SCREW SEE NOTE

14

6900531

INSTRUCTIONS for kit 6714062

15

6567743

PIN

16

6706349

MOUNT

17

6715095

INSULATION seat pan - Use W/Ref. 12 - Was 6706982 - A

18

6631418

RING, RETAINING

19

84G3112

BOLT 5

20

53D10

NUT Was 83D000010B - B

21

6562602

BUSHING rubber

22

6579613

STOP cab tilt

23

17C1056

BOLT

24

6708682

INSULATION seat back - Use W/Ref. 25 - Was 6705816 - A

25

6664310

CLIP insulation

26

6664374

PLUG heater hole

27

MOULDING NLA - 6''(152,4 mm) long - Order Ref. 28

28

6512686

MOULDING bulk - Sold Per Foot

29

17C512

BOLT 5

30

6707879

COVER

31

83D5

NUT 5

32

6708827

CONTAINER manuals

33

6702642

SCREW

34

6571991

GUIDE

35

83D4

NUT 10

36

6736126

COVER

37

35C410

BOLT 5

38

25E13

WASHER 5

Выбрано товаров: 42