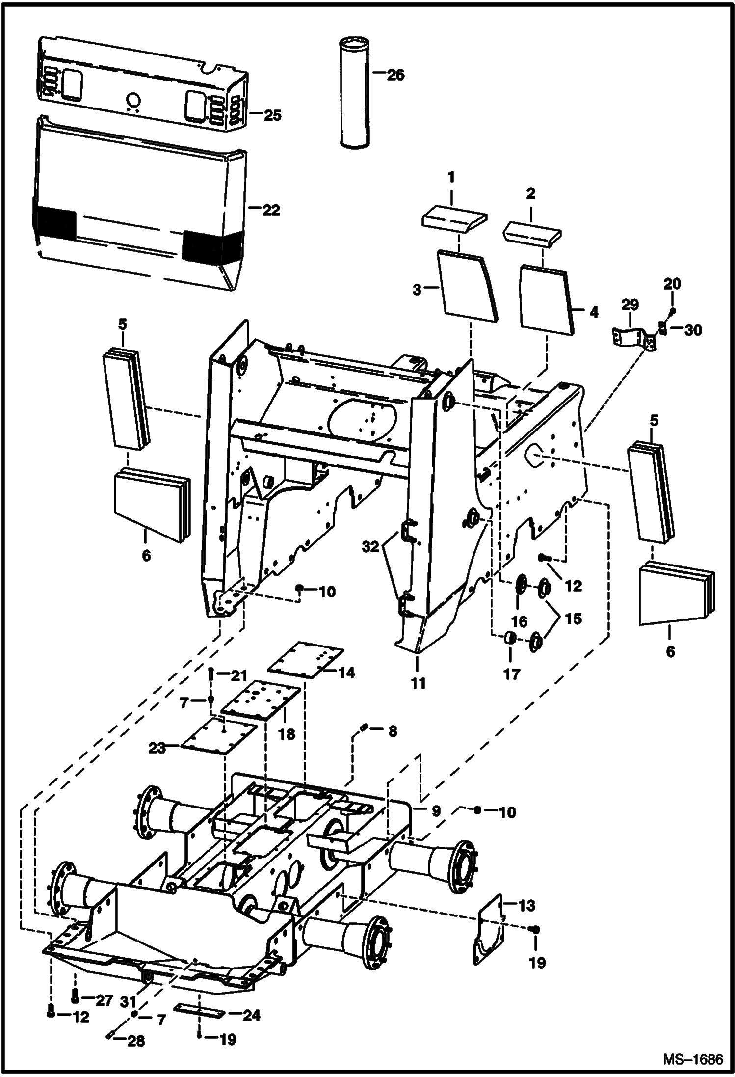
Запчасти Bobcat 800s MAIN FRAME MAIN FRAME

Схема запчастей Bobcat 800s - MAIN FRAME MAIN FRAME
FIT
1:1
100%

Артикул

Название

Примечание

Количество

1

6703963

INSULATION crossmember

2

6703964

INSULATION crossmember

3

6732726

INSULATION Crossmember - Was 6703965 - A

4

6732725

INSULATION Crossmember - Was 6703969 - A

5

7152242

INSULATION, STRIP fender - Was 6703967 - B

6

6703968

INSULATION transmission

7

6553411

BUSHING

8

6731121

PLUG Was 11F-12 - A

9

6578976

CHAINCASE See Illustration DRIVE TRAIN/ D2059

10

83D12

NUT

11

6579513

MAIN FRAME

12

31C1228

BOLT

13

6703189

COVER Was 6578352 - A

14

6578505

COVER See Illustration DISC BRAKE/ D2122

15

6702584

BUSHING, WELD-ON weld on

16

6702583

BUSHING, WELD-ON Was 6577955 - A

17

6555987

BUSHING weld on

18

6706279

COVER See Illustration DISC BRAKE/ D2122 - Was 6702922 - A

19

84G3712

BOLT 5

20

84G3716

SCREW 5

21

6680970

BREATHER Was 6646626 - A

22

REAR DOOR See Illustration REAR DOOR/ TS1099

23

6700330

COVER See Illustration DISC BRAKE/ D2122

24

6700182

COVER, DRAIN

25

HOOD See Illustration HOOD KIT/ MS1695 See Illustration ENGINE & ATTACHING PARTS/ E2018 - Was 6578046 - A

26

6633583

SEALANT, POLYURETHANE 300 ML chaincase cover

27

31C1232

SCREW

28

6599645

PLUG, STEEL

29

6702164

SPACER flexible

30

6579106

SHIM

31

6706485

HOOK tie down - weld-on

32

6577394

BRACKET hinge - weld on

Выбрано товаров: 32