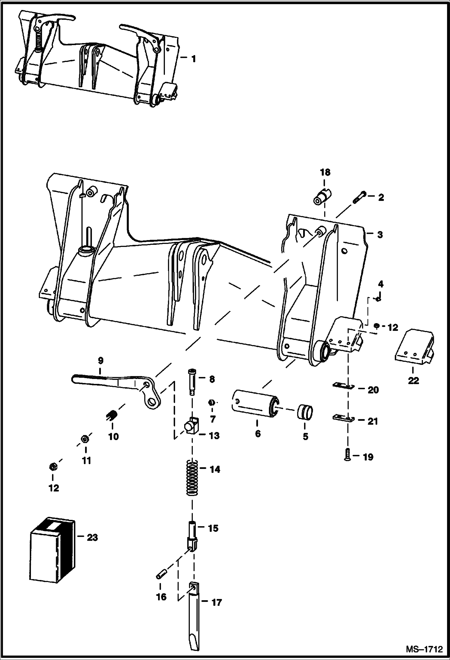
Запчасти Bobcat 800s BOB-TACH MAIN FRAME

Схема запчастей Bobcat 800s - BOB-TACH MAIN FRAME
FIT
1:1
100%

Артикул

Название

Примечание

Количество

1

6577986

BOB-TACH See Illustration DECALS/ B20386 REF. 2-22 - WAS SALES - ALSO ORDER 6561383 DECAL

2

17C644

BOLT See Ref. 10 and 11

2

17C660

BOLT See Ref. 10 & 11 - 3.75 in. (95,3 mm) long - in kit

3

FRAME NLA

4

10H35

FITTING, GREASE 10

5

6730997

BUSHING, WELD-ON Press Fit - Was 711273B - A

6

6578703

BUSHING Weld On - W/Ref. 5

7

743332

FITTING, GREASE 5

8

6728473

BOLT, SHOULDER pre-applied thread locker - Was 38C1036 - A

9

6702904

LEVER, BOB-TACH RH

9

6702903

LEVER, BOB-TACH LH

10

6704453

SPRING Use W/17C-644 bolt

10

6713040

SPRING Use W/Ref. 2 (17C660 Bolt) - in kit

11

6557831

WASHER Use W/17C-644 bolt

11

619021

WASHER, 5 Use W/Ref. 2 (17C660 Bolt) - in kit

12

85D6

NUT, 5

13

6704240

PIVOT ASSY. 0.75'' long pin - not in kit

13

6731119

PIVOT, WEDGE 50 mm (1.95'') long pin - in kit

14

6578253

SPRING, COMPRESSION Was 6562018 - A

15

6704248

PIVOT, WEDGE

16

14J5032

PIN, STRAIGHT

17

6737191

WEDGE Was 6704242 - A

18

6702958

BUSHING, WELD-ON

19

9G620

BOLT 5

20

6579106

SHIM

21

6579104

SHIM

22

STOP NLA - R.H. plate - weld-on - two hole - offset - Was 6704604 - A

22

STOP NLA - L.H. plate - weld-on - two hole - offset - Was 6704603 - A

22

6713526

STOP weld on - two hole - centered

23

6724775

LEVER KIT RH - Bob-Tach - Ref. 2 & 8-17

23

6724776

LEVER KIT LH - Bob-Tach - Ref. 2 & 8-17

Выбрано товаров: 31