Запчасти Bobcat 800s DRIVE TRAIN DRIVE TRAIN

Схема запчастей Bobcat 800s - DRIVE TRAIN DRIVE TRAIN
FIT
1:1
100%

Артикул

Название

Примечание

Количество

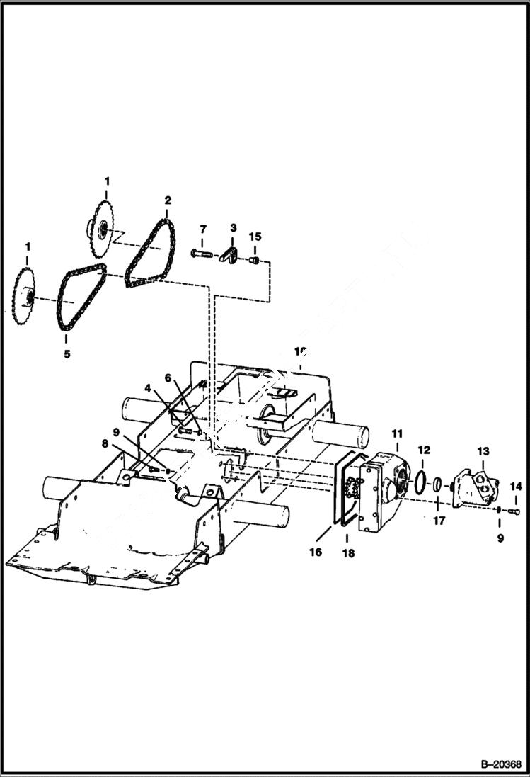
1

6568918

SPROCKET, AXLE

2

CHAIN NLA - W/Connector Link - 56 pitch - Oval - Order 6685130 chain - was Figure 8 , oval chain will not work on this application - Was 6564229 - B

2

6685130

CHAIN W/ Connector Link - 56 Pitch - Figure Eight

2

6510614

LINK connector - Used for Diamond & Daldo chain

2

6591030

LINK connector - Tsubaki

3

6569808

CHAIN GUIDE chain - Plastic

4

17C1228

BOLT

5

6564228

CHAIN W/Connector Link - 44 pitch

5

6510614

LINK connector - Diamond

5

6591030

LINK connector - Tsubaki

6

6576033

WASHER Was 6558465 - A

7

17C1252

BOLT

8

17C820

BOLT

9

6701097

WASHER Was 6803867 - A

10

6578976

CHAINCASE

11

6708266

HOUSING, GEAR ASSY See Illustration GEARCASE/ B20249

12

25K30508

O-RING, 10

13

MOTOR See Illustration HYDROSTATIC MOTOR/ B20147

14

17C828

BOLT

15

6569807

BUSHING

16

6558518

O-RING

17

6513681

BEARING

18

6563574

RETAINER

Выбрано товаров: 23