Запчасти Bobcat 800s CONTROL PEDALS HYDRAULIC SYSTEM

Схема запчастей Bobcat 800s - CONTROL PEDALS HYDRAULIC SYSTEM
FIT
1:1
100%

Артикул

Название

Примечание

Количество

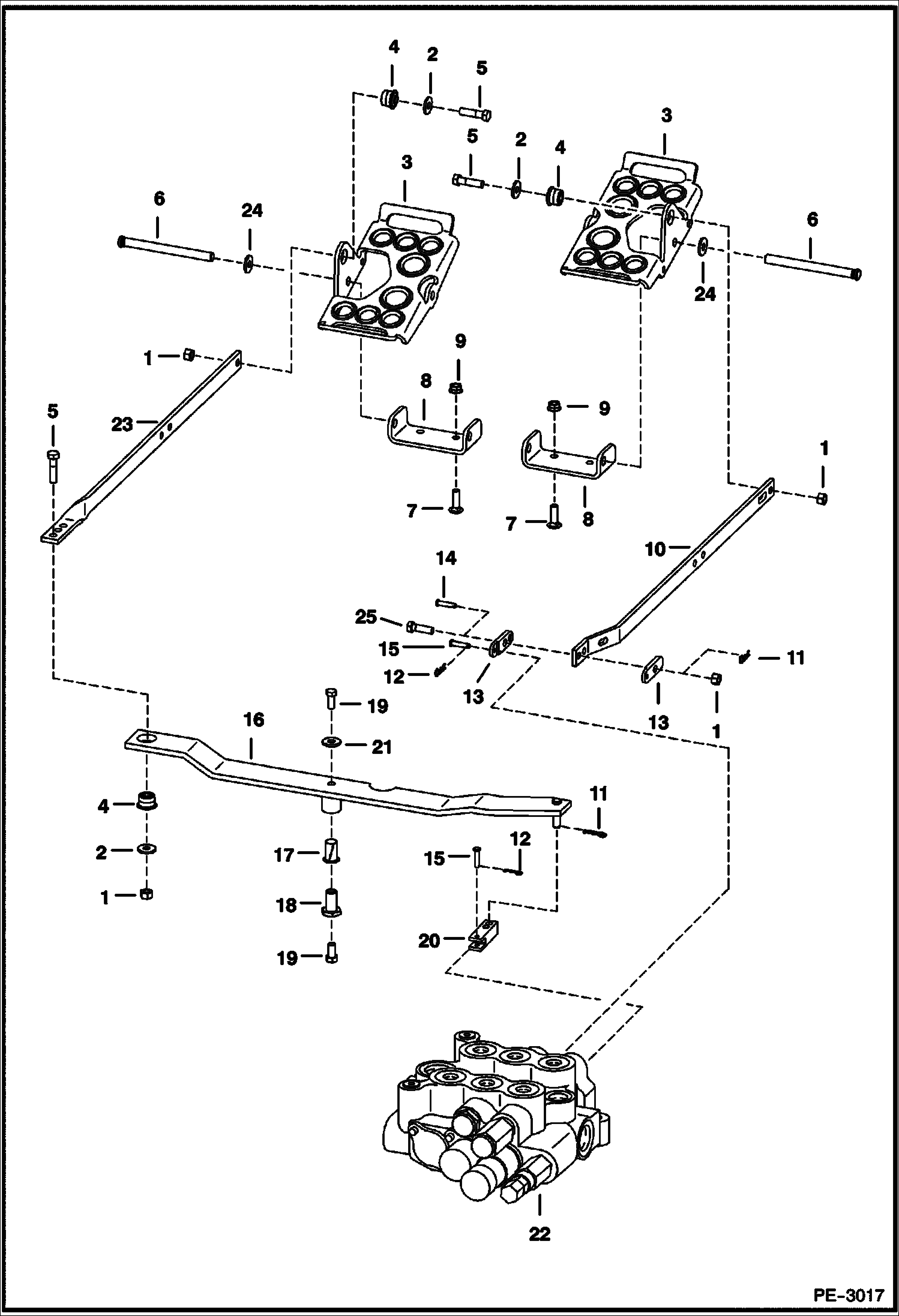
1

95D6

NUT Was 91D000006B - A

2

6563914

WASHER

3

7115219

PEDAL Was 6726680 - A

4

6665701

BUSHING, PRESS FIT Was 6630081 - A

5

17C624

BOLT 5

6

6564657

PIN

7

7C620

BOLT Was 6704349 - B

8

6726679

MOUNT Was 6564658 - A

9

57D6

NUT 5

10

6579547

BAR

11

1306637

CLIP

12

6513495

COTTER PIN

13

6706680

LINK Also Order Ref. 1 and 25 - 2.20 in (55,9mm) long - Was 6564544 - A

13

6708009

LINK 2.69'' (68,3 mm) long

14

4F6106

PIN

15

PIN NLA - Was 6564654 - A

16

6706108

LEVER

17

6512026

BUSHING

18

6706104

RETAINING NUT

19

17C612

BOLT 5

20

6706105

YOKE

21

619021

WASHER, 5

22

VALVE See Illustration HIGH HORSEPOWER HYDRAULICS/ MS1729 See Illustration HYDRAULIC CONTROL VALVE/ MS1726

23

6576302

BAR

24

25E21

WASHER 5 Used if serrations on pins are too long

25

17C620

BOLT

Выбрано товаров: 26