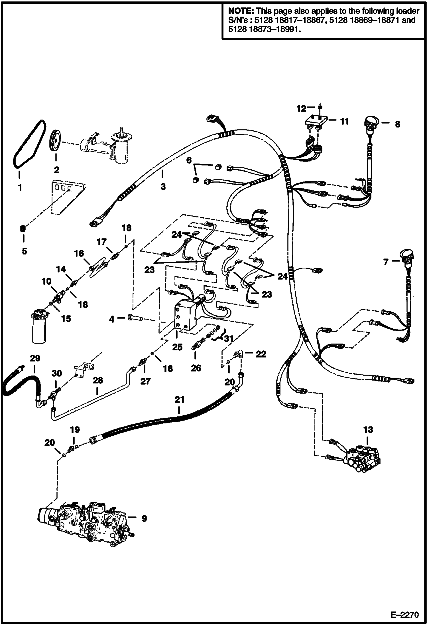
Запчасти Bobcat 800s HIGH HORSEPOWER HYDRAULICS (Hydrostatic Circuitry) (S/N 5128 16001-18891 & 5097 18001-18812 - SEE NOTE) HIGH FLOW HYDRAULICS

Схема запчастей Bobcat 800s - HIGH HORSEPOWER HYDRAULICS (Hydrostatic Circuitry) (S/N 5128 16001-18891 & 5097 18001-18812 - SEE NOTE) HIGH FLOW HYDRAULICS
FIT
1:1
100%

Артикул

Название

Примечание

Количество

1

6659248

BELT

2

6703483

PULLEY, FAN DRIVE IDLER

3

6708075

HARNESS W/Ref. 6

4

17C612

BOLT 5

5

6665320

SWITCH

6

6704122

DIODE

7

6706567

KIT See Illustration CONTROLS ELECTRICAL CIRCUITRY/ E2237 R.H. MULTI SWITCH HANDLE

8

6706568

KIT See Illustration CONTROLS ELECTRICAL CIRCUITRY/ E2237 L.H. MULTI SWITCH HANDLE

9

PUMP See Illustration HYDROSTATIC PUMP/ E2011

10

6700599

ELBOW W/Ref. 15

11

6671669

MODULE, CONTROL AUX Was 6668772 - C

12

85D4

NUT 5

13

VALVE See Illustration HIGH HORSEPOWER HYDRAULICS/ MS1729

14

755056

CONNECTR W/Ref. 18

15

79K12

O RING 10

16

6706316

TUBE

17

731794

CONNECTR W/Ref. 18

18

79K6

O RING 10

19

18K7

FITTING W/Ref. 20

20

79K10

O RING 10

21

6706434

HOSE

22

17K7

ELBOW W/Ref. 20

23

6703898

HARNESS

24

6703899

DIODE

25

VALVE See Illustration HIGH HORSEPOWER HYDRAULICS/ TS1144 CONTROL

26

VALVE NLA - relief - Pressure Present in Factory - Was 6658838 - A

26

7219324

VALVE, RELIEF W/ O-rings - pressure to be set in field - Was 6686360 - A

27

6659459

CHECK VALVE inline - W/Ref. 18

28

6706178

TUBE

29

6706151

HOSE See Illustration AUXILIARY HYDRAULICS/ TS1221

30

6706172

TEE

31

6659574

SEAL KIT Releif Valve

Выбрано товаров: 32