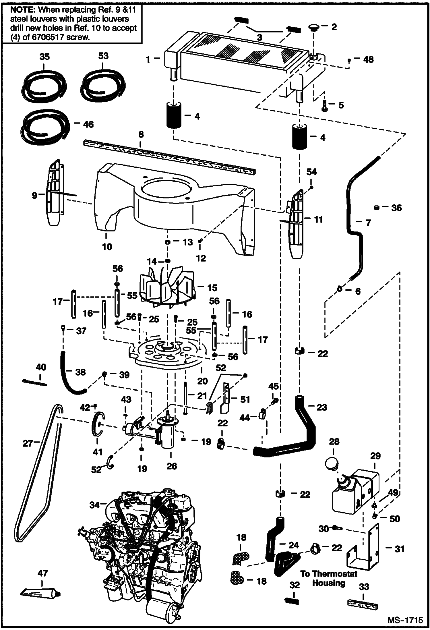
Запчасти Bobcat 800s COOLING SYSTEM POWER UNIT

Схема запчастей Bobcat 800s - COOLING SYSTEM POWER UNIT
FIT
1:1
100%

Артикул

Название

Примечание

Количество

1

6579535

EXCHANGER, WATER RADIATOR

2

6646678

CAP 14 PSI

3

MOULDING NLA - 3'' (76,2 mm) long - Order Ref. 32

4

6702697

SPACER

5

35C508

BOLT

6

42HS04

CLAMP, HOSE Was 6515575 - A

7

HOSE NLA - 32''(812,8 mm) long - Order Ref. 53

8

MOULDING NLA - 42'' (1066,8 MM) long - Order Ref. 33

9

LOUVER NLA - LH - plastic - order 6716571 louver & 6706517 (4) screw - Was 6700419 - A

9

LOUVER NLA - LH - steel - order 6716571 louver & 6706517 (4) screw - SEE NOTE

9

6716571

LOUVER, PLASTIC LH plastic - LH

10

6700329

HOUSING

11

LOUVER NLA - RH - plastic - order 6716572 louver & 6706517 (4) screw Was 6700418 - A

11

LOUVER NLA - RH - steel - order 6716572 louver & 6706517 (4) screw - SEE NOTE

11

6716572

LOUVER, PLASTIC RH RH - plastic

12

6706517

SCREW Use W/plastic louvers - Was 6579119 - A

12

6661209

RIVET Use W/steel louvers

13

86D8

NUT

14

6701097

WASHER Was 6803867 - A

15

6715142

FAN Was 6700334 - A

16

6577382

SPACER

17

SPACER NLA - Order Ref. 55 and (2) of Ref. 56 - Was 6704907 - A

18

COVER NLA - 10.5''(266,7 mm) long - Order Ref. 46

19

61D6

NUT 5

20

6577227

INLET

21

17C6116

BOLT

22

6518820

CLAMP

23

6700737

HOSE

24

6700738

HOSE, WATER FORMED

25

17C616

BOLT 5

26

6681890

HOUSING, FAN DRIVE ASSY See Illustration COOLING FAN DRIVE ASSY./ MS1690 Was 6702139 - A

27

6701265

BELT, FAN cooling fan drive

27

6659248

BELT See Illustration HIGH HORSEPOWER HYDRAULICS/ E2274 See Illustration HIGH HORSEPOWER HYDRAULICS/ E2270 Cooling Fan Drive - 853 HHH

28

6702797

CAP

29

6578861

TANK coolant over flow

30

84G3708

SCREW

31

6706242

MOUNT

32

6649402

MOULDING bulk - Sold Per Foot

33

6511855

SEAL self adhesive - bulk - sold per foot

34

ENGINE See Illustration ENGINE & GASKET KITS/ B13269

35

6577822

HOSE bulk - sold per foot

36

1303932

GROMMET

37

6680970

BREATHER Was 6646626 - A

38

HOSE NLA - 16.5 in (419,1mm) - 19.5in (495,3mm) long - Order Ref. 35

39

6657376

ELBOW

40

6610510

TIE

41

PULLEY NLA - 5.75'' (146,05mm) OD - Was 6579541 - A

41

6710665

PULLEY 6'' (152,4 mm) OD deep groove

41

6703483

PULLEY, FAN DRIVE IDLER See Illustration HIGH HORSEPOWER HYDRAULICS/ E2274 See Illustration HIGH HORSEPOWER HYDRAULICS/ E2270 - high flow hydraulics

42

6715143

SET SCREW Was 16G000506B - A

43

7J2108

KEY

44

30H60

CLIP

45

1CM812

BOLT

46

6651436

HOSE COVER Bulk - Sold Per Foot

47

6650407

ADHESIVE tube - 1 oz

48

6704753

PLUG brass 1/4''(6,4 mm) dia.

49

6553411

BUSHING alternate design

50

6553412

ELBOW alternate design

51

7102200

SHIELD belt - Was 6707797 - A

52

6626631

CLAMP

53

6667189

HOSE bulk - Sold Per Foot

54

25E10

WASHER Use W/steel louvers

55

6732318

SPACER

56

6732457

WASHER Step

Выбрано товаров: 64