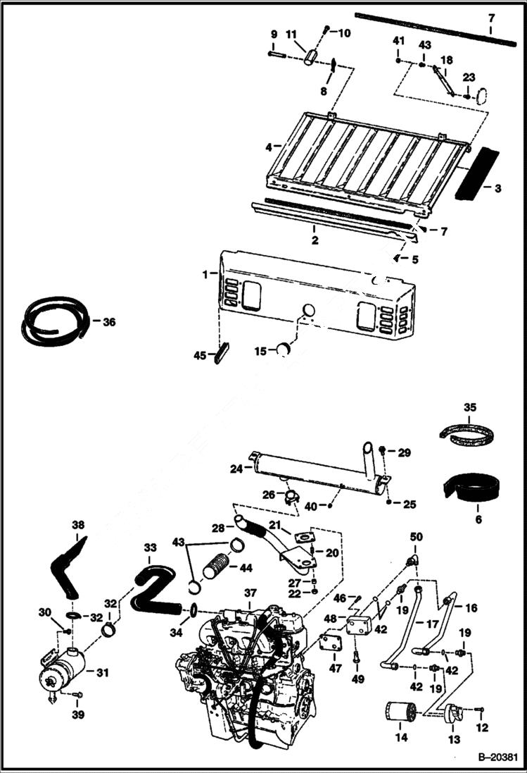
Запчасти Bobcat 800s ENGINE & ATTACHING PARTS (Air Cleaner, Muffler & Grill) (W/ B.O.S.S Option) POWER UNIT

Схема запчастей Bobcat 800s - ENGINE & ATTACHING PARTS (Air Cleaner, Muffler & Grill) (W/ B.O.S.S Option) POWER UNIT
FIT
1:1
100%

Артикул

Название

Примечание

Количество

1

6703868

HOOD steel

2

6708981

BRACKET Was 6703471 - A

3

MOULDING NLA - 19''(482,6 mm) long - Order Ref. 6

4

6705132

GRILL

5

84G3112

BOLT 5

6

6646705

SEAL bulk - sold per foot

7

MOULDING NLA - 34.5''(876mm) long - Order Ref. 35

8

6631418

RING, RETAINING

9

6567743

PIN

10

17C608

BOLT

11

6579326

MOUNT

12

17C620

BOLT

13

6702762

FILTER HEAD

14

6659329

ELEMENT engine oil

15

6718796

PLUG Was 6660646 - A

16

6702256

TUBE

17

6704546

TUBE

18

6674285

GAS SPRING Was 6661805 - A

19

15K7

FITTING W/Ref. 42

20

6631734

STUD

21

6705793

GASKET

22

2DM10

NUT

23

6705052

BALL STUD weld on

24

6661769

MUFFLER, INSULATED spark arrestor -double insulated

25

85D6

NUT, 5 Was 6649244 - B,D

26

6677363

CLAMP, FULL CIRCLE Was 657904B - A

27

6625291

SPACER

28

6660665

PIPE exhaust

29

35C612

BOLT

30

84G3708

SCREW

31

AIR CLEANER See Illustration AIR CLEANER/ B20671

32

42HL300

CLAMP Was 6598799 - A

33

6705282

HOSE W/Ref. 43 & 44

34

42H32

HS CLAMP5 Was 42H000024B - A

35

6511855

SEAL self adhesive - bulk - sold per foot

36

6512686

MOULDING bulk - Sold Per Foot

37

ENGINE See Illustration ENGINE & GASKET KITS/ B13269

38

6718237

HOSE Was 6703332 - A

39

84G3712

BOLT 5

40

866104

PLUG brass 3/8'' (9,5 mm)

41

61D5

NUT

42

79K10

O RING 10

43

6664004

CLAMP

44

6706394

SHIELD 203 mm (8'') long

45

MOULDING NLA - 3.5'' (89 mm) long - Order Ref. 36

46

29CM845

BOLT

47

6658690

GASKET

48

6654909

PORT BLOCK

49

6631836

RELIEF VALVE

50

17K7

ELBOW W/Ref. 42

Выбрано товаров: 50