Качественные детали и логистика
Оригинальные и аналоговые запчасти с доставкой по России, Казахстану и Беларуси
©2022 PartSell ООО "Система" ИНН 2463123282 ОГРН 1212400004838
Центральный офис: г. Красноярск, Академика Киренского, д.87, пом.4
Телефон: 8 (800) 777-65-74 Email: zakaz@partsell.ru
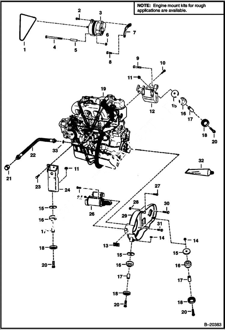
ENGINE & ATTACHING PARTS (Engine Mounts)
№
Артикул
Название
Примечание
Количество
1
6655314
BELT, ALT alternator
2
35C516
BOLT 10
3
ALTERNATOR See Illustration ALTERNATOR/ C3312
4
17C6104
BOLT
5
6579805
SPACER
6
61D6
NUT 5
7
6579771
BRACKET
8
29CM825
9
17C840
BOLT hyd. pump mounting
10
5CM1035
11
83D8
12
MOUNT See Illustration ENGINE & ATTACHING PARTS/ B20382 ENGINE, ALTERNATOR & HYD. PUMP
13
6702942
DECAL See Illustration DECALS/ B20387 WARNING
14
6652918
NUT
15
6705106
WASHER
16
6661785
MOUNT, ENG
17
6706043
18
6661787
19
ENGINE See Illustration ENGINE & GASKET KITS/ B13269
20
17C852
BOLT 5
21
36K7
FITTING
22
6701344
HOSE engine oil drain
23
6659937
BOLT Was 3984320B - A
24
6579635
MOUNT
25
35C620
26
STARTER See Illustration STARTER/ D2119
27
5CM1025
28
85D8
NUT, 5
29
6578951
30
17C832
31
12CM1230
32
6650407
ADHESIVE tube - 1 oz - Used on Ref. 9
33
79K10
O RING 10
Выбрано товаров: 0