Запчасти Bobcat 800s PANELS MAIN FRAME

Схема запчастей Bobcat 800s - PANELS MAIN FRAME
FIT
1:1
100%

Артикул

Название

Примечание

Количество

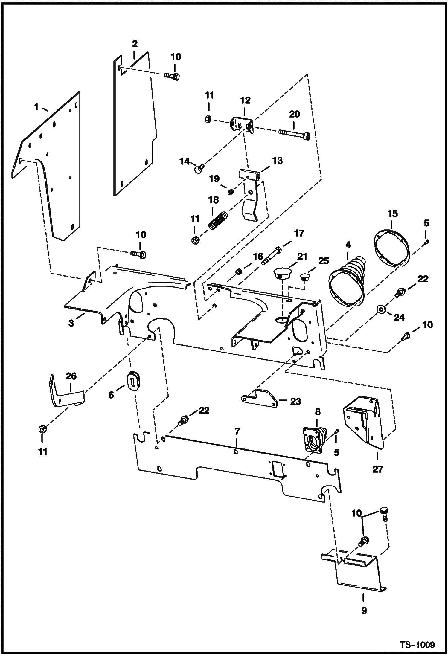
1

6718487

PANEL Was 6710647 - A

2

6701345

PANEL

3

6707475

PANEL Was 6579459 - A

4

6532127

BOOT W/Ref. 15 - Was 6655676 - A

5

6630207

RIVET 5 Was 6513493 - A

6

6577961

GROMMET

7

6700211

PANEL

8

BOOT Was 6571648 - A

9

6700772

PANEL

10

84G3712

BOLT 5

11

95D6

NUT Was 91D000006B - A

12

6701951

MOUNT

13

6701950

ARM

14

10C512

BOLT Was 10C-510 - B,D

15

PLATE NLA - Order Ref. 4 - Was 6536392 - A

16

85D5

NUT 5

17

17C664

BOLT

18

6505082

SPRING

19

10H25

FITTING, GREASE 5

20

38C836

BOLT Was 6701960 - A

21

6707674

PLUG for 1.25'' (31,8 mm) dia. hole - Was 6665697 - A

22

84G3716

SCREW 5

23

6703330

LEVER stop

24

616783

WASHER

25

6657719

PLUG 0.75'' dia hole - Was 6649949

26

BRACE See Illustration HAND CONTROLS/ E2007 E2

27

BRACKET See Illustration HAND CONTROLS/ E2007 RH - Was 6733022 - A

27

BRACKET See Illustration HAND CONTROLS/ E2007 LH - Was 6733024 - A

Выбрано товаров: 0