Запчасти Bobcat 800s EUROPEAN ACCESSORIES ACCESSORIES & OPTIONS

Схема запчастей Bobcat 800s - EUROPEAN ACCESSORIES ACCESSORIES & OPTIONS
FIT
1:1
100%

Артикул

Название

Примечание

Количество

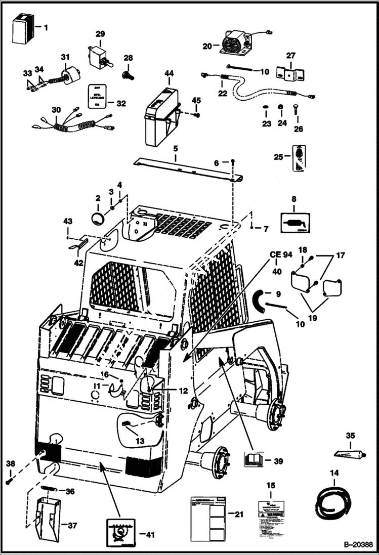
1

KIT SALES - European Access.

2

6653388

MIRROR convex

3

6518952

WASHER

4

25E13

WASHER 5

5

6701852

SHIELD

6

35C616

BOLT 5

7

61D6

NUT 5

8

6705340

DECAL, GREASE

9

COVER NLA - 18'' (457,2 mm) long - Order Ref. 14

10

6610510

TIE

11

6709092

SHIELD exhaust - Was 6704653 - A

12

35C412

BOLT

13

6701883

STOP tailgate

14

6656155

HOSE COVER bulk - sold per foot - 1.25'' (31,8mm) ID

15

6704832

HANDBOOK handbook -6 Language Operator - W/wire rope - Not in Kit

15

6558309

WIRE ROPE bulk - sold per foot - Also Order (2) of 6558310 sleeve

15

6558310

SLEEVE wire rope

16

57D4

NUT

17

84G3720

BOLT

18

6562619

BUSHING

19

COVER NLA - W/Ref. 18 - Was 6577812 - A

19

6737088

COVER, ACCESS

20

6660294

HORN

21

6722300

INSTRUCTIONS For Ref. 36-38

22

6704408

HARNESS 50''(1270 mm) long

23

6E4

WASHER 10

24

7C412

SCREW 15

25

6703727

DECAL horn/aux

26

83D4

NUT 10

27

6703391

MOUNT

28

6515510

COVER

29

6515521

SWITCH

30

6704411

HARNESS

31

SOLENOID NLA - W/Ref. 33 & 34 - Was 6703601 - A

32

6701462

DECAL

33

6519548

CONNECTOR Was 6512640 - A

34

1732366

TERMINAL

35

6555350

ADHESIVE

36

6700743

SPRING

37

6709379

TOOL HOLDER Was 6705100 - A

38

9G636

BOLT 5

39

6707971

DECAL operator manual

40

6707814

DECAL CE94

41

6595014

DECAL tow hook - Was 6707867 - A

42

6680326

LIGHT dome - Was 6664368 - A

42

6665367

BULB

42

6665353

SWITCH

43

6664221

RETAINER snap in

44

6708827

CONTAINER manuals

45

6702642

SCREW

Выбрано товаров: 50