Качественные детали и логистика
Оригинальные и аналоговые запчасти с доставкой по России, Казахстану и Беларуси
©2022 PartSell ООО "Система" ИНН 2463123282 ОГРН 1212400004838
Центральный офис: г. Красноярск, Академика Киренского, д.87, пом.4
Телефон: 8 (800) 777-65-74 Email: zakaz@partsell.ru
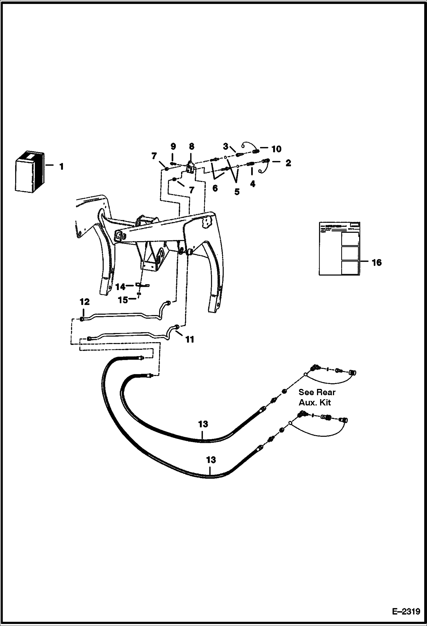
FRONT AUXILIARY KIT (Right Side) (W/Poppet Couplers)
№
Артикул
Название
Примечание
Количество
1
6707525
KIT front aux. -Ref. 2-14 -SEE NOTE
2
1519324
PLUG
3
6648969
QUICK COUPLER male
4
6648967
QUICK COUPLER female
6655795
SEAL KIT
5
79K6
O RING 10
6
45K5
FITTING
7
86F5
NUT
8
6706750
BRACKET
9
84G3716
SCREW 5 Was 84G003712B - B
10
1513549
CAP
11
6703412
TUBE
12
6703413
13
6711788
HOSE Was 6710314 - A
14
6703216
CLAMP
15
59D6
NUT not in kit
16
6724437
INSTRUCTIONS
Выбрано товаров: 0