Качественные детали и логистика
Оригинальные и аналоговые запчасти с доставкой по России, Казахстану и Беларуси
©2022 PartSell ООО "Система" ИНН 2463123282 ОГРН 1212400004838
Центральный офис: г. Красноярск, Академика Киренского, д.87, пом.4
Телефон: 8 (800) 777-65-74 Email: zakaz@partsell.ru
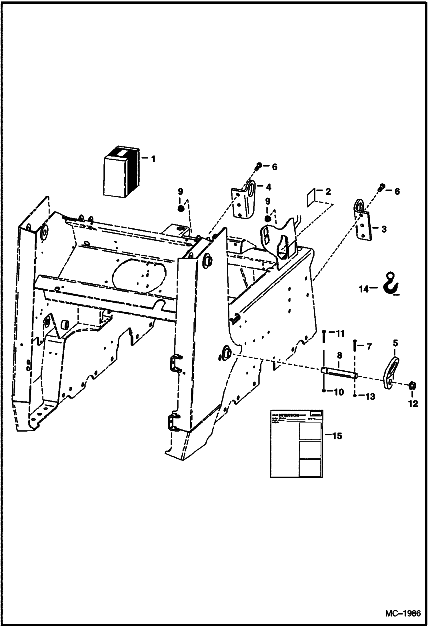
LIFT KIT (Four Point - .75 Thick Lift Eyes)
№
Артикул
Название
Примечание
Количество
1
6707002
KIT Ref. 2 - 9 & 12 - 14
2
6726423
DECAL, WARNING check before lifting - Was 6702916 - A
3
6701573
LIFT EYE front - R.H.
4
6701574
LIFT EYE front - L.H.
5
6706825
LIFT EYE rear
6
17C1028
BOLT
7
17C540
8
6706807
PIN
9
83D10
NUT 5
10
85D6
NUT, 5 not in kit
11
17C640
BOLT 5 not in kit
12
4D20
NUT
13
87D5
14
6533898
DECAL hook
15
6722873
INSTRUCTIONS
Выбрано товаров: 0