Запчасти Bobcat 800s DISC BRAKE DRIVE TRAIN

Схема запчастей Bobcat 800s - DISC BRAKE DRIVE TRAIN
FIT
1:1
100%

Артикул

Название

Примечание

Количество

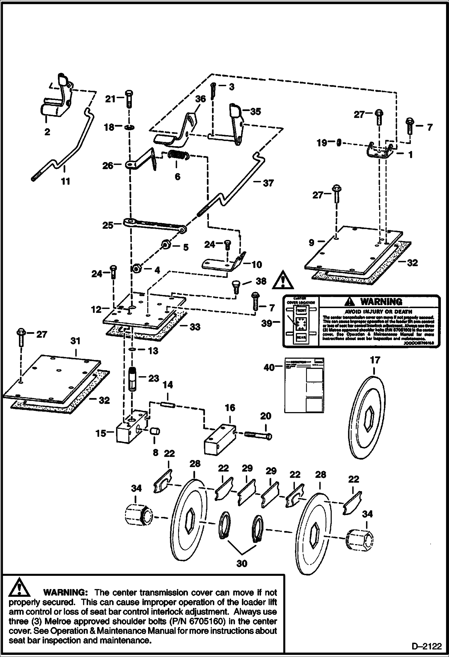
1

6700073

PEDAL MOUNT

2

PEDAL NLA - brake - Order Ref. 35-37

3

1318565

COTTER PIN

4

85D8

NUT, 5

5

6564669

NUT, 10

6

6584584

SPRING

7

84G3716

SCREW 5

8

6569927

PIN

9

6578505

COVER

10

6701627

BRACKET

11

ROD NLA - Order Ref. 35-37 - WAS 6700074 - A

12

6702922

COVER See Illustration CONTROL PEDALS/ D2024 USED W/45# BENT CROSS LINK

12

6706279

COVER See Illustration CONTROL PEDALS/ D2024 USED W/NEW STYLE CROSS LINK

13

25K30100

O RING 10

14

6571796

SPACER

15

6571795

BLOCK

16

6571794

BLOCK

17

DISC NLA - Order (2) ea. of Ref. 28-30 & 34 - Was 6578784 - A

18

6506477

WASHER

19

25E25

WASHER 10

20

17C880

BOLT

21

17C820

BOLT

22

6700706

PAD

23

6569842

CAM PIN

24

17C816

BOLT

25

6563823

LEVER

26

6701626

BRACKET

27

84G3712

BOLT 5

28

6705721

DISC Was 6559237 - B,D

28

6705721

DISC

29

6702805

SPACER

29

6702805

SPACER

30

742666

SNAP RING

30

742666

SNAP RING

31

6700330

COVER

32

6703097

GASKET, TRANS COVER

33

6703099

GASKET

34

6708254

HUB See Note on Page 46 - Was 6703055 - A

35

6704812

PEDAL brake

36

6704811

PEDAL brake

37

6704810

ROD

38

6705160

SHOULDER BOLT Always use (3) 6705160 Shoulder Bolts in Center Cover ... SEE WARNING ON ILLUSTRATION

39

6705158

DECAL warning

40

6722343

INSTRUCTIONS

Выбрано товаров: 44