Запчасти Bobcat 800s HYDROSTATIC MOTOR HYDROSTATIC SYSTEM

Схема запчастей Bobcat 800s - HYDROSTATIC MOTOR HYDROSTATIC SYSTEM
FIT
1:1
100%

Артикул

Название

Примечание

Количество

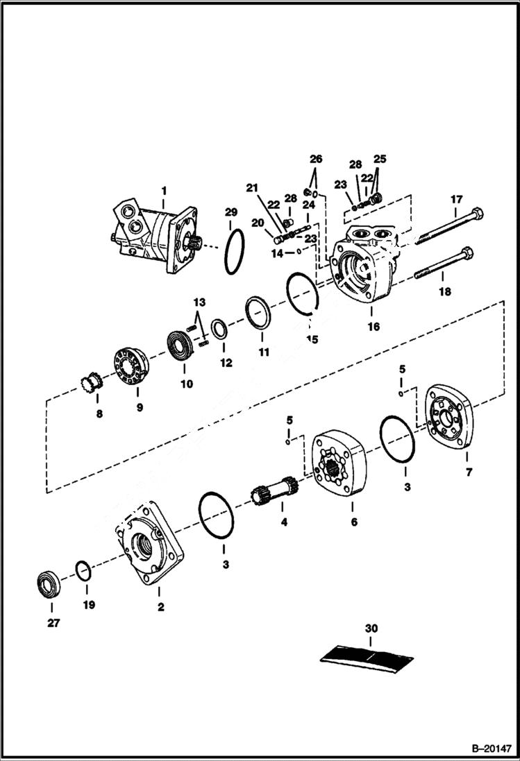
1

MOTOR NLA - kit - Ref. 2-29 (114-1019-005) & (114-1059-005) - Was 6720886 - A

1

6722529

MOTOR kit - Ref. 2-29 (114-1064-005) & (006)

2

6513528

FLANGE mounting

3

6513524

O'RING

4

6658758

DRIVE

5

6632272

SEAL

6

6658761

GEROLER

7

6661809

PLATE valve - Was 6658759 - C

8

6513518

DRIVE valve

9

6513519

VALVE

10

6658757

RING balance assy.

11

6513520

SEAL

12

6513529

SEAL face - Inner

13

6190121

SPRING

14

25K20010

O RING 10

15

58K44

O RING 10 Was 6658756 - A

16

HOUSING NLA - Valve - For 114-1019-005 & 114-1059-005 Motors - Was 6660455 - A

16

6665237

HOUSING valve - for 114-1064-005 motor

17

6658755

SCREW

18

6658754

BOLT

19

6513799

SEAL

20

6513539

PLUG

21

6513800

O-RING

22

6513533

SPRING

23

6513532

POPPET

24

6513510

PISTON

25

47K5

PLUG

26

47K2

PLUG

27

6513681

BEARING bronze

28

6561218

SHUTTLE

29

25K30508

O-RING, 10 See Illustration DRIVE TRAIN/ D2059 NOT PART OF SEAL KIT

30

6660256

KIT, SEAL Ref. 3, 5, 11, 12, 14, 15, 21 & 27 Was 6658760 - C

Выбрано товаров: 32