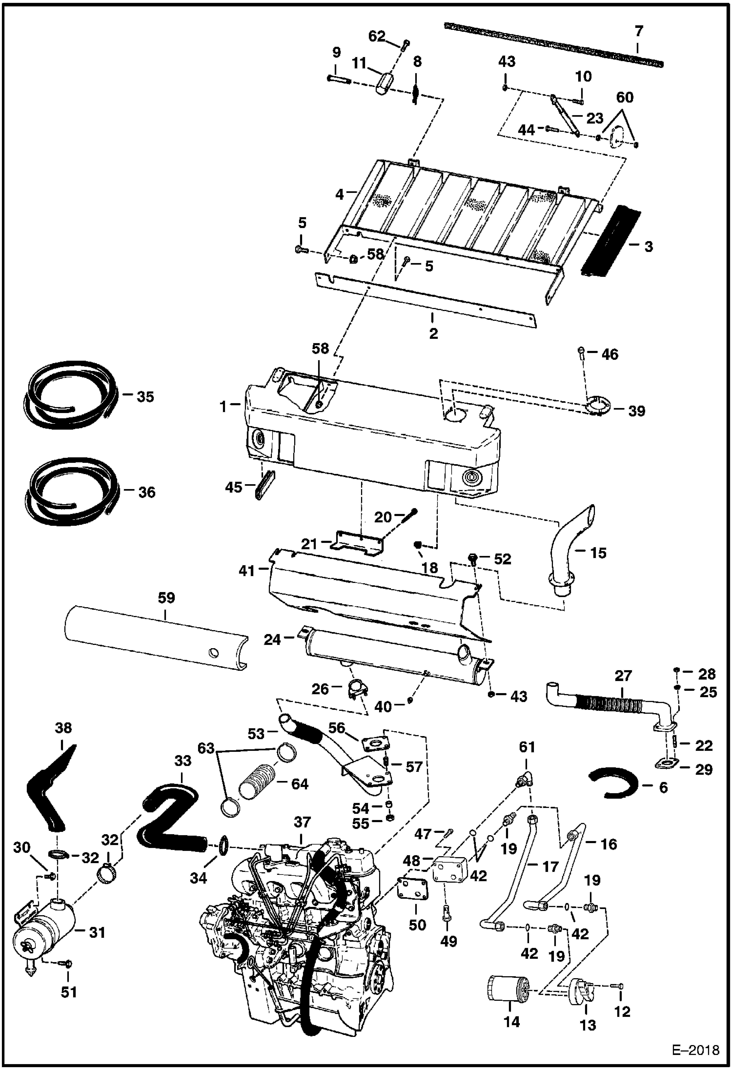
Запчасти Bobcat 800s ENGINE & ATTACHING PARTS (Air Cleaner, Muffler & Grill) (S/N 5084 12460 & Below) (S/N 5097 11334 & Below) POWER UNIT

Схема запчастей Bobcat 800s - ENGINE & ATTACHING PARTS (Air Cleaner, Muffler & Grill) (S/N 5084 12460 & Below) (S/N 5097 11334 & Below) POWER UNIT
FIT
1:1
100%

Артикул

Название

Примечание

Количество

1

HOOD NLA - plastic - Order 6704402 Hood Kit - Was 6701629 - A

2

6701237

GRILL SEAL grill

3

MOULDING NLA - 15.74'' (399,8 mm) long - Order Ref. 6

4

6701507

GRILL

5

17C512

BOLT 5

6

6646705

SEAL bulk - sold per foot

7

MOULDING NLA - 34.5'' (876,3 mm) long - Order Ref. 35

8

6631418

RING, RETAINING

9

6567743

PIN

10

17C612

BOLT 5

11

6579326

MOUNT

12

17C620

BOLT

13

6702762

FILTER HEAD Was 6702229 - A

14

6659329

ELEMENT engine oil - Was 6631833 - B

15

6700169

TUBE exhaust

16

6702256

TUBE

17

TUBE NLA - Order 6704546 Tube & Ref. 61 - Was 6702257 - A

17

17

6704546

TUBE

17

6704546

TUBE

18

83D6

NUT 5

19

15K7

FITTING W/Ref. 42

20

58G2512

SCREW

21

6578362

MOUNT

22

6631885

STUD Was 6658215 - A

23

GAS SPRING NLA - Order 6674285, (2) 6649244 & (2) 61D-5 - Was 6652946 - A

23

6674285

GAS SPRING

24

6658671

MUFFLER spark arrestor - Was 6579374 - A

25

6512736

WASHER

26

6677363

CLAMP, FULL CIRCLE Was 657904 - A

27

6660283

PIPE exhaust - 2 bolt flange - Was 6579376 - A

28

4DM8

NUT

29

6651947

GASKET 2 bolt flange

30

84G3708

SCREW

31

AIR CLEANER See Illustration AIR CLEANER/ D2123

32

42HL300

CLAMP Was 6598799 - A

33

6705282

HOSE W/Ref. 63 & 64 - Was 6700763 - A

34

42H32

HS CLAMP5 Was 6513595 - A

35

6511855

SEAL self adhesive - bulk - sold per foot

36

6512686

MOULDING bulk - Sold Per Foot

37

ENGINE See Illustration ENGINE & GASKET KITS/ B13269

38

6718237

HOSE Was 6703332 - A

39

6578710

RING

40

866104

PLUG brass 3/8'' (9,5 mm)

41

6703812

SHIELD not required for 6661769 Muffler - Was 6701186 - A

42

79K10

O RING 10

43

85D6

NUT, 5

44

17C624

BOLT 5

45

MOUDING NLA - 3.5'' (88,9 mm) long - Order Ref. 36

46

6657701

RIVET

47

29CM845

BOLT

48

6654909

PORT BLOCK

49

6631836

RELIEF VALVE

50

6658690

GASKET

51

84G3712

BOLT 5

52

35C612

BOLT

53

6660665

PIPE exhaust - 4 bolt flange - Was 6703862 - A

54

6625291

SPACER for 4 bolt flange

55

2DM10

NUT for 4 bolt flange

56

6705793

GASKET for 4 bolt flange-Was 6569003 - B

57

6631734

STUD for 4 bolt flange

58

83D5

NUT 5

59

6704329

INSULATION for Use W/6660250 Muffler only

60

61D6

NUT 5

61

17K7

ELBOW W/Ref. 42

62

17C608

BOLT

63

6664004

CLAMP

64

6706394

SHIELD 203 mm (8'') long

Выбрано товаров: 68