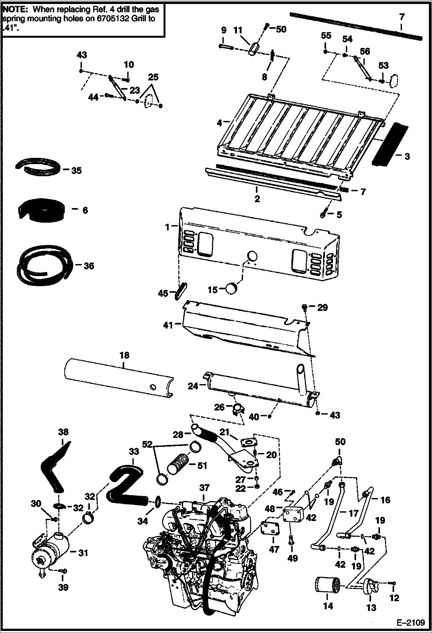
Запчасти Bobcat 800s ENGINE & ATTACHING PARTS (Air Cleaner, Muffler & Grill) (S/N 5084 12461 & Above) (S/N 5097 11335 & Above) POWER UNIT

Схема запчастей Bobcat 800s - ENGINE & ATTACHING PARTS (Air Cleaner, Muffler & Grill) (S/N 5084 12461 & Above) (S/N 5097 11335 & Above) POWER UNIT
FIT
1:1
100%

Артикул

Название

Примечание

Количество

1

6703868

HOOD See Illustration HOOD KIT/ MS1695 STEEL -FOR FIELD KIT

2

6708981

BRACKET Was 6703471 - A

3

MOULDING NLA - 19''(482,6 mm) long - Order Ref. 6

4

GRILL NLA - Order 6705132 Grill -See Note - Was 6703813 - A

4

6705132

GRILL

5

84G3112

BOLT 5

6

6646705

SEAL bulk - sold per foot

7

MOULDING NLA - 34.5''(876mm) long - Order Ref. 35

8

6631418

RING, RETAINING

9

6567743

PIN

10

17C612

BOLT 5

11

6579326

MOUNT

12

17C620

BOLT

13

6702762

FILTER HEAD

14

6659329

ELEMENT engine oil

15

6718796

PLUG Was 6660646 - A

16

6702256

TUBE

17

TUBE NLA - Order 6704546 Tube & Ref. 61- Was 6702257 - A

17

17

6704546

TUBE

17

6704546

TUBE

18

6704329

INSULATION for Use W/6660250 Muffler only

19

15K7

FITTING W/Ref. 42

20

6631734

STUD

21

6705793

GASKET Was 6569003 - B

22

2DM10

NUT

23

6674285

GAS SPRING Was 6652946 - A

24

MUFFLER NLA - spark arrestor - Order 6661769 Muffler - Was 6660250 - A

24

6661769

MUFFLER, INSULATED double insulated spark arrestor

25

61D6

NUT 5

26

6677363

CLAMP, FULL CIRCLE Was 657904 - A

27

6625291

SPACER

28

6660665

PIPE exhaust

29

35C612

BOLT

30

84G3708

SCREW

31

AIR CLEANER See Illustration AIR CLEANER/ D2123

32

42HL300

CLAMP Was 6598799 - A

33

6705282

HOSE W/Ref. 51 & 52 - Was 6700763 - A

34

42H32

HS CLAMP5 Was 6513595 - A

35

6511855

SEAL self adhesive - bulk - sold per foot

36

6512686

MOULDING bulk - Sold Per Foot

37

ENGINE See Illustration ENGINE & GASKET KITS/ B13269

38

6718237

HOSE Was 6703332 - A

39

84G3712

BOLT 5

40

866104

PLUG brass 3/8'' (9,5 mm)

41

6703812

SHIELD not required for 6661769 Muffler

42

79K10

O RING 10

43

85D6

NUT, 5

44

17C624

BOLT 5

45

MOUDING NLA - 3.5'' (89 mm) long - Order Ref. 36

46

29CM845

BOLT

47

6658690

GASKET

48

6654909

PORT BLOCK

49

6631836

RELIEF VALVE

50

17C608

BOLT

51

6706394

SHIELD 203 mm (8'') long

52

6664004

CLAMP

53

6705052

BALL STUD

54

6649244

BALL STUD

55

61D5

NUT

56

6674285

GAS SPRING Was 6673758 - A

Выбрано товаров: 61