Запчасти Bobcat 800s ELECTRICAL CONTROLS CIRCUITRY (Advanced Hand Control Option) ELECTRICAL SYSTEM

Схема запчастей Bobcat 800s - ELECTRICAL CONTROLS CIRCUITRY (Advanced Hand Control Option) ELECTRICAL SYSTEM
FIT
1:1
100%

Артикул

Название

Примечание

Количество

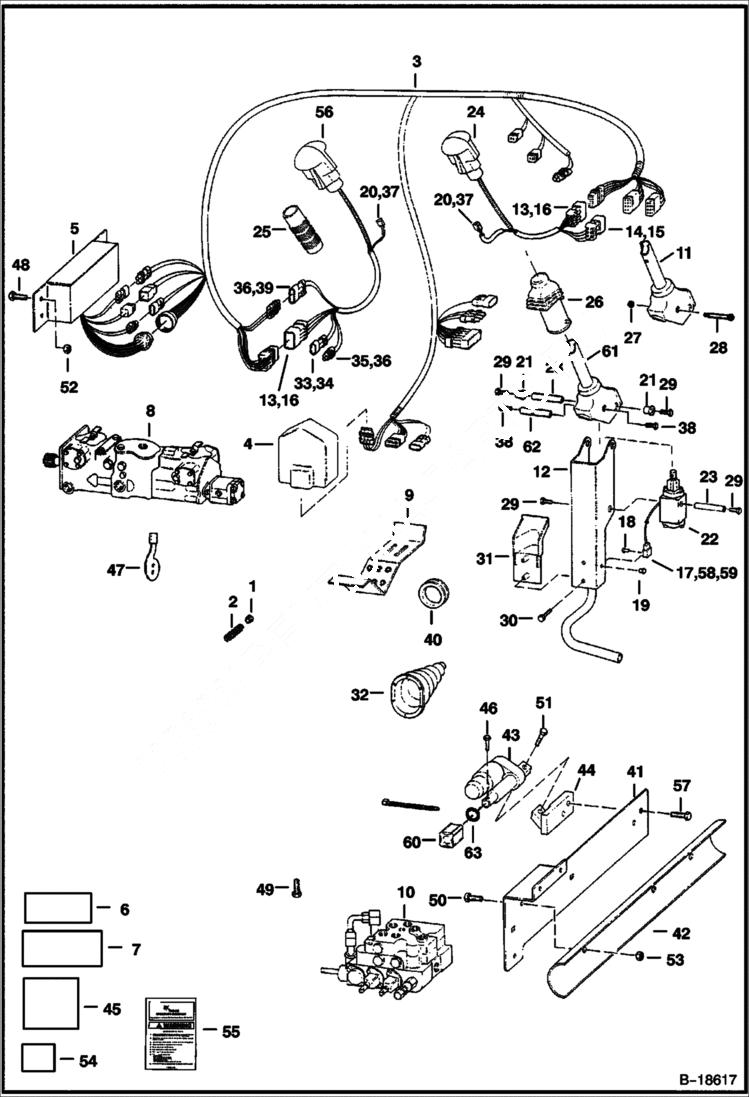
1

6571991

GUIDE

2

6572026

SPRING

3

6710418

HARNESS for standard machines

3

6716541

HARNESS for high flow

3

6717569

DIODE 6 amp

4

6674225

CONTROLLER BICS - Was 6672801 - C

5

6675129

CONTROLLER, AHC AHC - Was 6674211 - C

6

6715940

DECAL operation

7

6715941

DECAL warning

8

6673915

PUMP See Illustration HYDROSTATIC PUMP/ B18410 M46

9

6712365

STEP

10

VALVE See Illustration HYDRAULIC CONTROL VALVE/ MS1677 AHC

11

HANDLE NLA - R.H. - Order Ref. 61-63 - Was 6597774 - A

11

HANDLE NLA - L.H. - Order Ref. 61-63 - Was 6717163 - A

12

6597775

LEVER RH

12

6597776

LEVER LH

13

6640696

CONNECTOR 8 pin

14

6641173

CONNECTOR 6-pin

15

6641181

LOCK 6-pin

16

6661183

LOCK

17

6665000

CLIP

18

6665321

RIVET male

19

6665322

RIVET female

20

6670707

CONNECTOR 3 pin

21

6702990

BUSHING

22

CONTROL See Illustration HAND CONTROL KIT/ PE1373 NLA - tilt - R.H. - Order 6727297 AHC Kit - Was 6712398 - A

22

CONTROL See Illustration HAND CONTROL KIT/ PE1373 NLA - lift - L.H. - Order 6727297 AHC Kit - Was 6712397 - A

23

6713043

SPACER

24

6680459

HNDL/TILT AHC R.H. - Was 6675515 - A

25

GRIP NLA - Order 6702621 & cut to 2.8'' (71mm) long

25

6702621

GRIP

26

6680471

COVER Was 6713898 - A

27

12D10

NUT std.

28

6716826

BOLT Use W/Ref. 11

29

25GT410

SCREW

30

6669224

BOLT

31

6715957

COVER

32

6532127

BOOT

33

6640699

CONNECTOR

34

6640700

LOCK

35

6641178

CONNECTOR 2-pin

36

6641180

LOCK Use W/ 2-pin connector

37

6670711

LOCK

38

6727065

BOLT button head - 10-24UNC

39

6641179

CONNECTOR 2-pin

40

6714726

GROMMET

41

6715266

MOUNT actuator - Was 6717567 - A

42

6715267

BRACE

43

ACTUATOR See BTI364 NLA - Order 7104842, before ordering see BTI364 - Was 6678776 - A

43

7104842

ACTUATOR direct mount - W/Ref. 63

44

6717567

MOUNT actuator

45

6715991

DECAL fuse - AHC

46

6716052

PIN

47

6717393

LEVER throttle - Was 6716104 - A

48

17C412

BOLT 5

49

17C612

BOLT 5

50

37C512

BOLT

51

38C606

BOLT

52

61D4

NUT 5

53

85D5

NUT 5

54

6715944

DECAL

55

6708158

HANDBOOK, OPERATOR'S W/WIRE ROPE AHC

56

6680463

HANDLE L.H. - Was 6713262 - A

56

6680447

DECAL Was 6677370 - A

57

6717378

BOLT

58

6670706

CONNECTOR

59

6670710

LOCK

60

6664286

BOOT Was 6675280 - A

61

6729594

HANDLE RH

61

6729595

HANDLE LH

62

6680469

SPACER threaded on both ends - Use W/Ref. 61 - Was 6729600 - A

63

58K120

O-RING Use W/Ref. 43 (7104842 actuator)

Выбрано товаров: 72