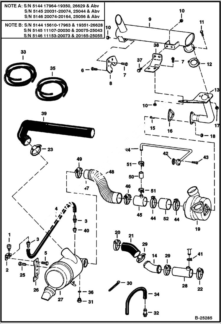
Запчасти Bobcat 800s ENGINE & ATTACHING PARTS (Air Cleaner, Muffler) (S/N 5144 15610, 5145 11107, 5146 11153 & Above) POWER UNIT

Схема запчастей Bobcat 800s - ENGINE & ATTACHING PARTS (Air Cleaner, Muffler) (S/N 5144 15610, 5145 11107, 5146 11153 & Above) POWER UNIT
FIT
1:1
100%

Артикул

Название

Примечание

Количество

1

6515007

GAUGE dust - W/O boss option

2

6704823

BRACKET W/O boss option

3

6505813

CONNECTOR barbed - W/O boss option

4

HOSE NLA - W/O boss option - 18'' (457mm) long - Order Ref. 35

5

84G3712

BOLT 5

6

55CM825

BOLT

7

45C620

BOLT

7

45C620

BOLT

8

6713786

SHIELD muffler

8

6717351

SHIELD muffler

9

MUFFLER NLA - spark arrestor - double insulated - Order 6675324 & 6717351 shield - Was 6672118 - A

9

6680164

MUFFLER, EXHAUST Was 6732069 - A

10

83D6

NUT 5

11

17C616

BOLT 5

12

6713653

GASKET, EXHAUST exhaust

13

6717352

TUBE exhaust - Was 6713417 - A

14

6714303

ELBOW

15

6666407

STUD

16

6665910

GASKET

17

85D6

NUT, 5

18

6666398

NUT

19

TURBOCHARGER See Illustration CRANKCASE & OIL PAN/ B20128 short stroke - EPA & non-EPA - Was 6666520

19

6673173

TURBOCHARGER See Illustration CRANKCASE & OIL PAN/ B20128 long stroke non-EPA & EPA

20

6518820

CLAMP

21

6714504

HOSE Was 6714302 - A

22

42HL300

CLAMP Was 6598799 - A

23

42H52

CLAMP

24

6671625

TUBELINE

25

55CM816

BOLT

26

6707582

BRACKET

27

AIR CLEANER See Illustration AIR CLEANER/ TS1241

28

6715905

HOSE Was 6670920 - A

29

44H48

CLAMP Was 6515576 - A

30

6610510

TIE

31

24K5

PLUG W/Ref. 36 - flat boss face

31

24K5

PLUG W/Ref. 36 - tapered boss face - Was 24KN00005B - A

32

6712813

CHECK VALVE

33

6654057

HOSE bulk - Sold Per Foot

34

HOSE NLA - 36'' (915mm) long - Order Ref. 33

35

6557720

HOSE bulk - Sold Per Foot

36

79K6

O RING 10 flat boss face

36

99K6

O RING tapered boss face

37

45C616

BOLT

38

6713787

BRACKET

39

6709958

HOSE

40

6672042

ADAPTER filter

41

6672884

CLAMP

42

6672885

GASKET

43

6672887

BOLT

44

6666419

CLAMP

45

6673966

TEE

46

42HC300

CLAMP

47

6717495

HOSE

48

6717498

HOSE heat shield

49

42HC350

CLAMP

50

6673962

HOSE

51

6673963

CLAMP

52

6673964

HOSE

Выбрано товаров: 58