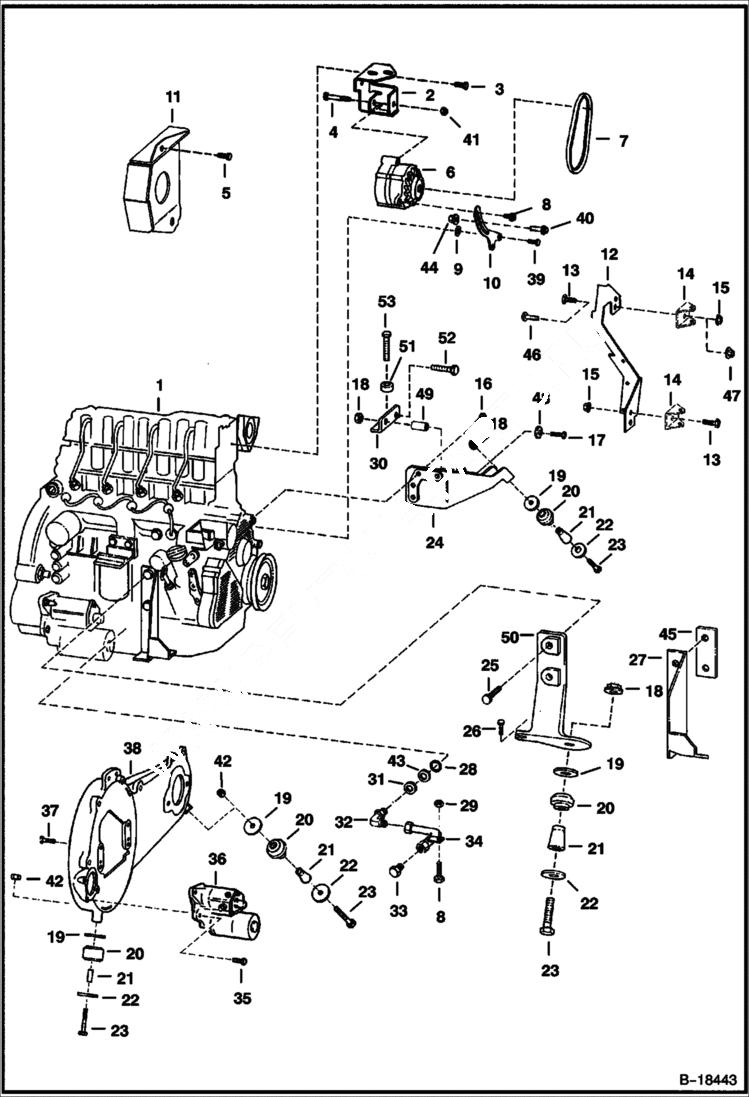
Запчасти Bobcat 800s ENGINE & ATTACHING PARTS (Engine Mounts) POWER UNIT

Схема запчастей Bobcat 800s - ENGINE & ATTACHING PARTS (Engine Mounts) POWER UNIT
FIT
1:1
100%

Артикул

Название

Примечание

Количество

1

ENGINE See Illustration ENGINE & GASKET KITS/ B16399

2

6707631

MOUNT Use W/ 2-piece rear door

2

6713893

MOUNT Use W/ 1-piece rear door

3

55CM816

BOLT Was 1CM00816B - B

4

17C652

BOLT Was 17C000648B - B

5

17C672

BOLT Use W/ 2-piece rear door

6

ALTERNATOR See Illustration ALTERNATOR/ C3312 - Was 6661611 - B

7

6711831

BELT Use W/ 2-piece rear door

7

6534779

V-BELT Use W/ 1-piece rear door - Was 6713901 - A

8

35C512

BOLT

9

25E17

WASHER 5

10

6710279

BRACKET Use W/ 2-piece rear door

10

6713843

BRACKET Use W/ 1-piece rear door

11

6712922

SHIELD Use W/ 2-piece rear door

12

6710652

SHIELD Use W/ 2-piece rear door

13

35C612

BOLT

14

6577394

BRACKET weld-on - for rear door

15

83D6

NUT 5

16

53CM1440

BOLT

17

6675221

BOLT hyd. pump mounting - for M46 pump - Was 47C000836B - A

17

17C864

BOLT hyd. pump mounting - for M44 pump

18

83D8

NUT 5

19

6705106

WASHER

20

6661785

MOUNT, ENG

20

6668104

MOUNT, ENG

21

6706043

SPACER

21

7110276

SPACER, TAPERED tapered - Was 6715287 - A

22

6661787

WASHER

23

43C852

BOLT

24

6707757

MOUNT

25

53CM1430

BOLT Use W/Ref. 50 (6707738 Mount) - Was 35CM-1430 - D

25

53CM1435

BOLT Use W/Ref. 50 (NLA/6714498 Mount)

25

53CM1440

BOLT Use W/Ref. 50 (6717858 Mount)

26

17C516

BOLT

27

MOUNT NLA - welded - Order Ref. 50 (6717858 Mount), (2) of Ref. 16 (53CM01440B Bolt) & Ref. 34 (6714500 Tubeline) - Was 6707738 - A

28

58K114

O RING 10

29

97D5

NUT

30

6716226

BRACKET for 4445054 pump

31

WASHER NSS - Was 6669067 - A

32

6709168

ELBOW W/Ref. 28, 31 & 43

33

6518121

PLUG

34

6709822

TUBE For Ref. 27 (NLA/6707738 Mount)

34

6714500

TUBE for 6714498 mount & 6717858 mount

35

35C620

BOLT 5

36

STARTER See Illustration STARTER/ D2365

37

17C828

BOLT hyd pump mount

38

6715380

MOUNT, ENG See Illustration ENGINE & ATTACHING PARTS/ E2254 Was 6709920 - A

39

1CM1030

BOLT

40

35C516

BOLT 10

41

85D6

NUT, 5

42

6652918

NUT

43

6669066

SEAL RING

44

57D5

NUT

45

6712656

SHIM Use W/Ref. 27 (NLA/6707738 Mount)

46

10C516

BOLT

47

83D5

NUT 5

48

742640

WASHER for 4445054 pump

49

6716225

SPACER for 4445054 pump

50

MOUNT NLA - cast - Order 6717858 & (2) of 53CM01440B bolt - Was 6714498 - A

50

6717858

MOUNT cast

51

6716408

SPACER for 4445054 pump

52

17C820

BOLT for 4445054 pump

53

17C824

BOLT 5 for 4445054 pump

Выбрано товаров: 63