Запчасти Bobcat 800s CYLINDER HEAD & COVER POWER UNIT

Схема запчастей Bobcat 800s - CYLINDER HEAD & COVER POWER UNIT
FIT
1:1
100%

Артикул

Название

Примечание

Количество

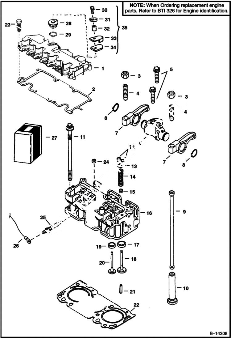
1

6666747

COVER W/O PCV valve

1

6672770

COVER W/ PCV valve

2

6666739

GASKET for cover W/O PCV valve

2

6672489

GASKET, COVER HEAD CYL for cover W/ PCV valve

3

6666450

NUT

4

6666449

SCREW adjusting

5

6672900

BOLT

6

6666474

BRACKET rocker - W/Ref. 3, 4, 7 & 8

7

6666448

ARM rocker

8

6666388

SNAP RING

9

6666447

PUSH ROD

10

6666504

TAPPET

11

BOLT NLA - Order 6670820 - Was 6666502 - A

11

6670820

BOLT fully threaded

12

6666443

COLLAR

13

6668940

CAP spring

14

6668944

SPRING

15

6666460

SEAL Was 6668947 - A

16

6666529

HEAD cylinder - W/Ref. 12-20

16

6671073

HEAD cylinder - W/Ref. 12-20 - W/ holes for (4) glow plugs

16

6681633

HEAD cylinder - W/Ref. 12-20 - W/ holes for (4) glow plugs - Was 6672714 - A

16

6681633REM

HEAD, DEUTZ BF4M1011-F

16

6671073REM

HEAD, DEUTZ BF4M1001

17

6666505

INSERT valve seat - intake

18

6666526

VALVE intake

19

6666481

INSERT valve seat - exhaust

20

6666466

VALVE exhaust

21

6666519

PIN

22

6666754

GASKET, HEAD CYL 1 notch

22

6666755

GASKET 2 notch

22

6672713

GASKET 3 notch - Was 6666756 - A

23

6666693

BOLT

23

6672771

BOLT

24

6666697

PLUG soft - Was 6669984 - A

25

6670989

GLOW PLUG

26

WIRE NLA - glow plug - part of engine harness - Was 6669985 - D

27

6671072

KIT See BTI310 cylinder head - Ref. 2, 25 (4), 6671073 head, 6670315 (4) gasket, 6666472 (4) gasket & 6666473 gasket

28

6666749

BREATHER

29

6669643

O-RING

30

6666695

BOLT

30

BOLT NSS - Order Ref. 35 - Was 6673968 - A

31

WASHER NSS - Order Ref. 35 - Was 6673969 - A

32

SPACER NSS - Order Ref. 35 - Was 6673970 - A

33

SHIELD NSS - Order Ref. 35 - Was 6673971 - A

34

INSULATION NSS - Order Ref. 35 - Was 6673972 - A

35

KIT, SHIELD HEAT NLA - Ref. 30-34 - w/ round heat shield - Was 6673967 - A

35

7204577

KIT, SHIELD HEAT - Ref. 30-34 - W/square heat shield

Выбрано товаров: 47