Запчасти Bobcat 800s CAMSHAFT POWER UNIT

Схема запчастей Bobcat 800s - CAMSHAFT POWER UNIT
FIT
1:1
100%

Артикул

Название

Примечание

Количество

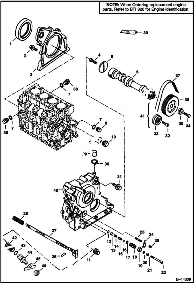
1

6666490

SEAL lip - rear main

2

6666412

BOLT

3

6688307

COVER REAR rear - Use W/Ref. 39 - Was 6666491 - A

4

6666402

BOLT

5

6666469

WASHER thrust

6

6666523

CAMSHAFT short stroke - non-EPA

6

6673154

CAMSHAFT short & long stroke - EPA

6

6673821

CAMSHAFT long stroke - non-EPA

7

6666393

SEAL RING

8

1KM10

PLUG

9

6666394

SEAL RING

10

6666399

PLUG short stroke - non-EPA

11

6666421

PLUG

12

6666389

CIR CLIP

13

6666476

STOP limit

14

6666483

SPRING

15

6688255

SETTING SCREW Was 6666489 - A

16

6666410

O-RING

17

6666408

O-RING

18

6666480

SCREW adjusting

19

6666450

NUT

20

6666426

SEAL RING

21

6666390

NUT

22

6666488

SCREW

22

6672942

SET SCREW

23

6666406

STUD

24

6666475

CLAW

25

16DM6

NUT Was 6513908 - A

26

6666496

PIN locating

27

6673163

ROD short stroke - non-EPA - Was 6666503 - A

27

6673163

ROD short & long stroke - EPA & long stroke non-EPA

28

6666465

SPRING

29

6666761

CAP

30

6666701

CLAMP

31

6666707

BOLT

32

6666715

BOLT

33

PULLEY NLA - tension - Order Ref. 41 - Was 6666734 - A

34

6666711

BOLT

35

6666720

WASHER

36

6666725

PULLEY

37

BELT NLA - timing - Order Ref. 41 - Was 6666724 - A

38

6666690

PLUG

39

6632823

GASKET liquid - between Ref. 3 & block also between Ref. 40 & block

40

6666748

COVER, FRONT See Illustration FRONT COVER/ B14321 front

41

6670555

REPAIR KIT Ref. 32, 33 & 37

42

6673167

SPRING short & long stroke - EPA & long stroke non-EPA

43

6673165

O-RING short & long stroke - EPA & long stroke non-EPA

44

6673164

CAPSULE short & long stroke - EPA & long stroke non-EPA

45

6673166

WASHER short & long stroke - EPA & long stroke non-EPA

46

16DM6

NUT short & long stroke - EPA & long stroke non-EPA - Was 6513908 - A

Выбрано товаров: 50