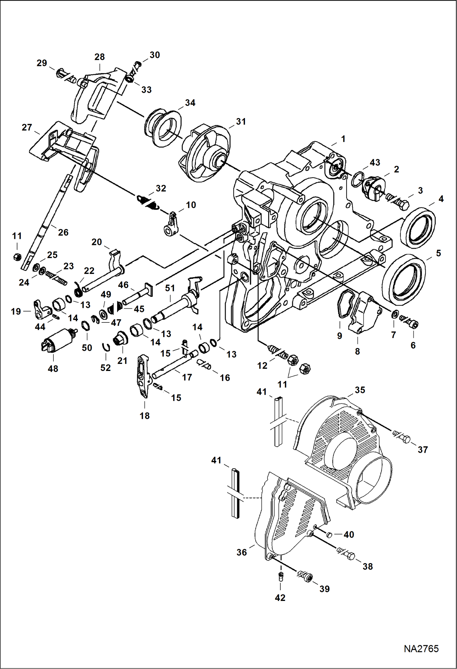
Запчасти Bobcat 800s FRONT COVER REPLACEMENT ENGINE

Схема запчастей Bobcat 800s - FRONT COVER REPLACEMENT ENGINE
FIT
1:1
100%

Артикул

Название

Примечание

Количество

1

6688278

FRONT COVER

2

6666749

BREATHER vent - W/Ref. 40

3

6666695

BOLT

4

6666731

SEAL camshaft

5

6666730

SEAL front main - crankshaft

6

6666710

SCREW

7

6672943

WASHER

8

6666757

COVER

9

6666753

WASHER

10

6666733

ARM lever

11

6687848

NUT

12

6666698

SET SCREW

13

6666714

O-RING

14

6666732

SLEEVE

15

6687843

PIN

16

6687837

PIN clevis

17

6688269

SHAFT, LEVER

18

6672945

ARM lever

19

6688296

LEVER, CLUTCH shut-off

20

6688298

LEVER SHAFT

21

7012035

NUT

22

6688294

SPRING

23

6666700

STUD

24

6666717

WASHER

25

6666723

WASHER

26

6666740

SHAFT

27

6690626

LEVER

28

6690625

LEVER Roller - W/Ref. 29, 30 & 33

29

6666687

NAIL notched

30

6666713

PIN

31

6688301

METERING UNIT

32

6690624

SPRING

33

6666692

BEARING ball

34

6679571

SLEEVE Was 6666744 - A

35

6688315

COVER W/Ref. 41 - Was 7018615 - A

36

6688287

COVER PROTECTION W/Ref. 40-42

37

6666691

BOLT

38

6687840

BOLT

39

6679667

SCREW locking

40

6672899

PLUG

41

6688205

SEAL 1=1 METER

42

6688268

GROMMET, RUBBER

43

6669643

O-RING

44

6687844

PIN

45

6690627

SPRING

46

6690628

PISTON RAM

47

7018618

WASHER retainer

48

6688239

SOLENOID

49

6513741

WASHER

50

6688198

O-RING

51

6690629

LEVER

52

6690630

RING, RETAINER

Выбрано товаров: 52