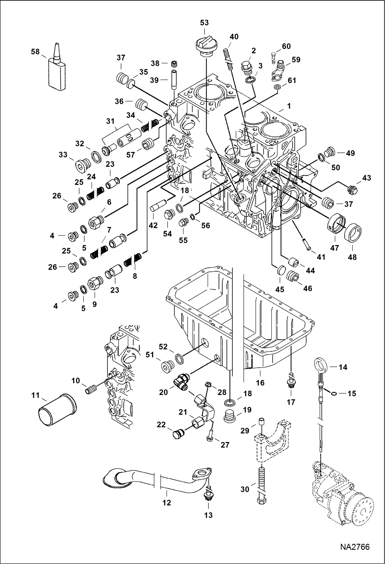
Запчасти Bobcat 800s CRANKCASE & OIL PAN REPLACEMENT ENGINE

Схема запчастей Bobcat 800s - CRANKCASE & OIL PAN REPLACEMENT ENGINE
FIT
1:1
100%

Артикул

Название

Примечание

Количество

1

6690609

ENGINE BLOCK

2

6666690

PLUG

3

6666393

SEAL RING

4

6666400

PLUG

5

6668887

O-RING

6

6668900

ADAPTER

7

6668903

SPRING Red - .055'' (1.4mm) dia. wire 3.07 (78mm) long

8

6668902

SPRING Blue - .039''(1.0mm) dia. wire 2.44'' (62mm) long

9

6668901

ADAPTER

10

6668897

ADAPTER

11

6665603

FILTER engine

12

6666508

TUBE oil suction

13

6668938

BOLT

14

6680251

DIPSTICK, OIL ENG W/O Ribs

15

25K30012

O RING 10

16

6677832

OIL PAN W/Ref. 16-18 & 51-52

17

6677831

BOLT

18

6666394

SEAL RING

19

6666400

PLUG

20

6709168

ELBOW

21

6714500

TUBE oil drain

22

6518121

PLUG oil drain

23

6666510

VALVE

24

6668941

SPRING Yellow - .047'' (1.2mm) dia. wire 3.15'' (80mm) long

25

6666395

SEAL RING

26

6666387

PLUG

27

35C512

BOLT

28

97D5

NUT

29

6666722

DOWEL

30

6666719

BOLT

31

6668945

THERMOSTAT engine oil temp. - rated @ 199.4 degrees F (93 degrees C)

32

6688176

O-RING

33

6672877

PLUG

34

6666743

SPRING

35

6688146

COVER soft

36

6688245

PLUG

37

6672874

PLUG

38

6672876

PLUG

39

6666741

TUBE

40

6688194

STUD

41

6666746

NOZZLE piston cooling

42

6668905

PIN

43

6666751

PLUG

44

6666718

SLEEVE guide

45

6690612

PLUG soft

46

6672878

PLUG

47

6666738

BEARING cam bushing

48

6666737

BEARING cam bushing

49

6690611

PLUG

50

2FM12155

WASHER

51

6666397

PLUG

52

6668888

WASHER

53

6666530

CAP oil fill

54

6666689

PLUG

55

6666690

PLUG

56

6666699

WASHER

57

6672872

PLUG

58

6632823

GASKET liquid - use between Ref. 17 & block also between Ref. 13 & block

59

6666762

ADAPTER

60

6666696

BOLT

61

7018613

RING, SEAL

Выбрано товаров: 61