Запчасти Bobcat 800s HEATER - DUAL (Left Heater) ACCESSORIES & OPTIONS

Схема запчастей Bobcat 800s - HEATER - DUAL (Left Heater) ACCESSORIES & OPTIONS
FIT
1:1
100%

Артикул

Название

Примечание

Количество

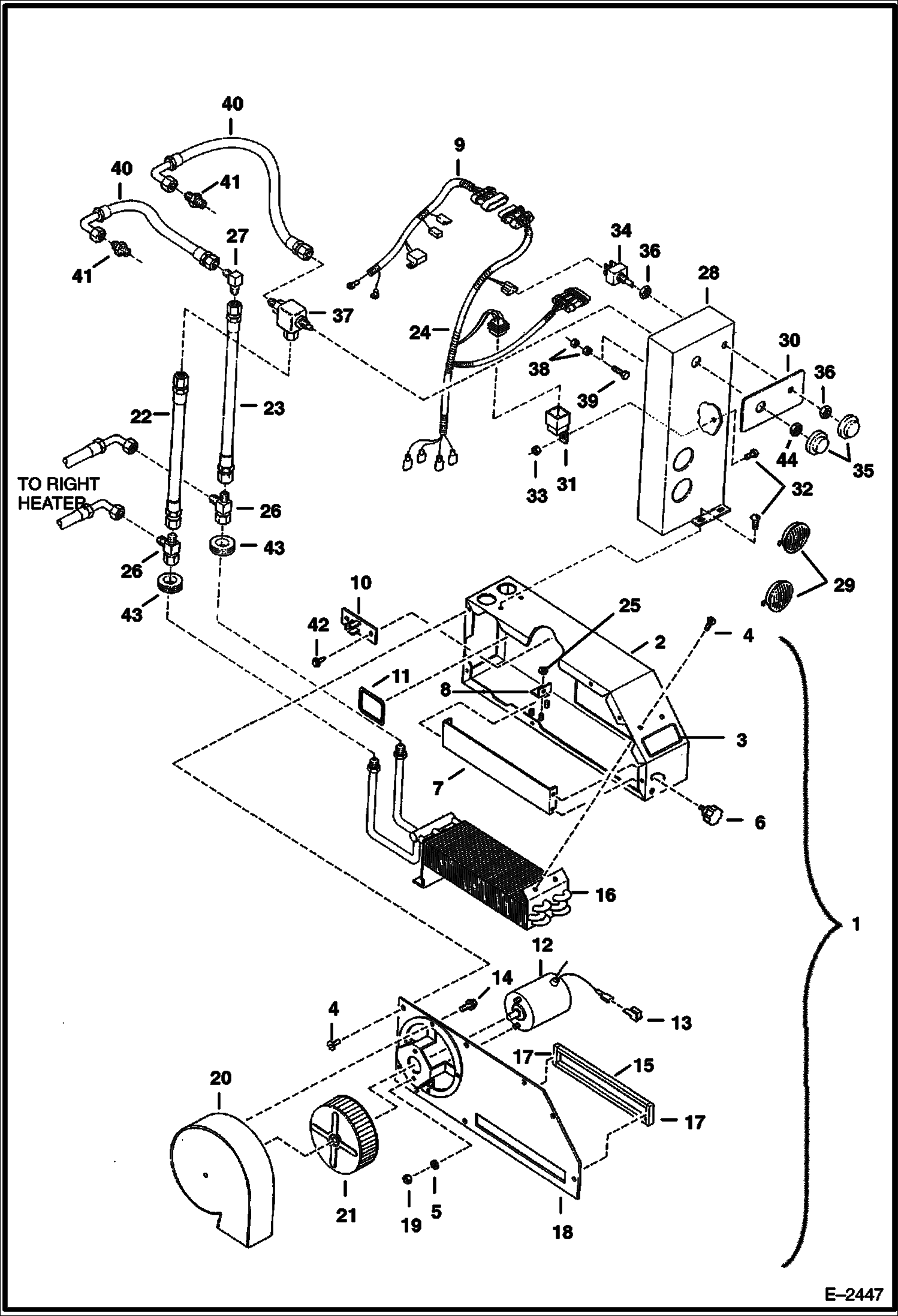
1

6673893

HEATER Ref. 2-8, 10-21, 25 & 42

2

6664806

HOUSING

3

6660868

DECAL

4

6674106

SCREW

5

6641072

WASHER lock

6

6660869

KNOB

7

6664808

DOOR

8

6660873

BRACKET

9

6660894

HARNESS

10

6632584

RESISTOR

11

6660656

DECAL

12

6660876

MOTOR, HEATER CAB

13

6660654

CONNECTOR

14

6641062

SCREW

15

6674105

MOULDING

16

6674104

COIL

17

6660878

MOULDING

18

6667567

COVER

19

6661073

NUT

20

6850027

HOUSING

21

6667565

BLOWER

22

6674102

HOSE

23

6674101

HOSE

24

6674103

TRACK

25

6674110

NUT

26

6674119

TEE

27

6674118

ELBOW

28

6674120

COVER

29

6660885

LOUVER

30

6674107

DECAL

31

6674121

RELAY

32

6672982

BOLT Was 6674106 - A

33

6641065

NUT

34

6660659

SWITCH

35

6660822

KNOB

36

6670143

NUT

37

6674122

VALVE W/Ref. 36

38

6670142

NUT

39

6713413

BOLT

40

6673895

HOSE

41

6710276

CONNECTOR

42

6705792

SCREW

43

6674108

GROMMET

44

NUT 7/8''

Выбрано товаров: 44