Запчасти Bobcat 800s MAIN FRAME MAIN FRAME

Схема запчастей Bobcat 800s - MAIN FRAME MAIN FRAME
FIT
1:1
100%

Артикул

Название

Примечание

Количество

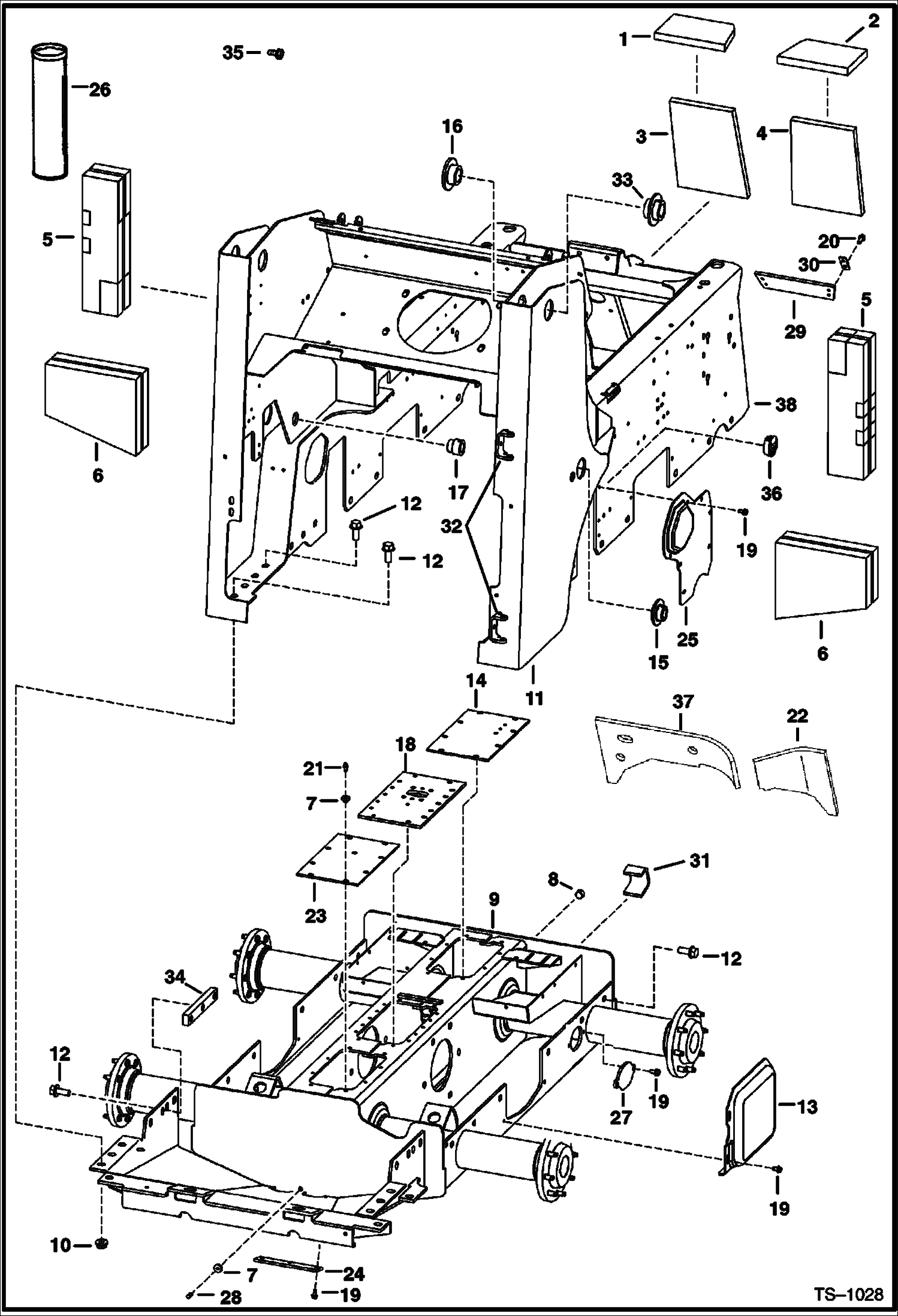
1

6703963

INSULATION crossmember

2

6703964

INSULATION crossmember

3

6732726

INSULATION crossmember - Was 6703965 - A

4

6732725

INSULATION crossmember - Was 6703969 - A

5

7152242

INSULATION, STRIP fender - Was 6703967 - B

6

6703968

INSULATION transmission

7

6553411

BUSHING

8

6731121

PLUG Was 11F000012B - A

9

6719225

CHAINCASE See Illustration DRIVE TRAIN/ TS1425 WAS 6709771 - B

10

53D12

NUT Was 83D000012B - B

11

MAIN FRAME NLA - Order 6725574 , also Order 6726451 cover, 6726452 cover, Ref. 19 (8) & Ref. 27 (4) Was 6718303 - B

11

6725574

MAIN FRAME

12

31C1228

BOLT

13

6719168

COVER Was 6719201 - A

14

COVER See Illustration DISC BRAKE/ PE1678 See Illustration DISC BRAKE/ TS1237

15

6705047

BUSHING weld on

16

6718544

BUSHING weld on - Was 6710744 - B

17

6713823

BUSHING weld on

18

COVER See Illustration DISC BRAKE/ PE1678 See Illustration DISC BRAKE/ TS1237

19

84G3712

BOLT 5

20

84G3716

SCREW 5

21

6680970

BREATHER Was 6670627 - A

22

6719333

INSULATION blower housing

23

COVER See Illustration DISC BRAKE/ PE1678 See Illustration DISC BRAKE/ TS1237

24

6700182

COVER, DRAIN

25

6719086

COVER pump - right - 7 mounting holes - Was 6717110 - B

25

6726451

COVER pump - right - 6 mounting holes

25

6719085

COVER pump - left - 7 mounting holes - Was 6717111 - B

25

6726452

COVER pump - left - 7 mounting holes

26

6633583

SEALANT, POLYURETHANE 300 ML chaincase cover

27

6730078

COVER cylinder hole

28

6599645

PLUG, STEEL

29

6702164

SPACER flexible

30

6579106

SHIM

31

6706485

HOOK tie down - weld-on

32

6708987

HINGE, WELD-ON

33

6718545

BUSHING weld-on - Was 6710745 - B

34

6726867

BLOCK Was 67068657 - B,D

35

6718486

PLUG

36

6718796

PLUG front crossmember & right fender - Was 6660646 - A

37

6719332

INSULATION blower housing

38

6731939

BRACE

Выбрано товаров: 42