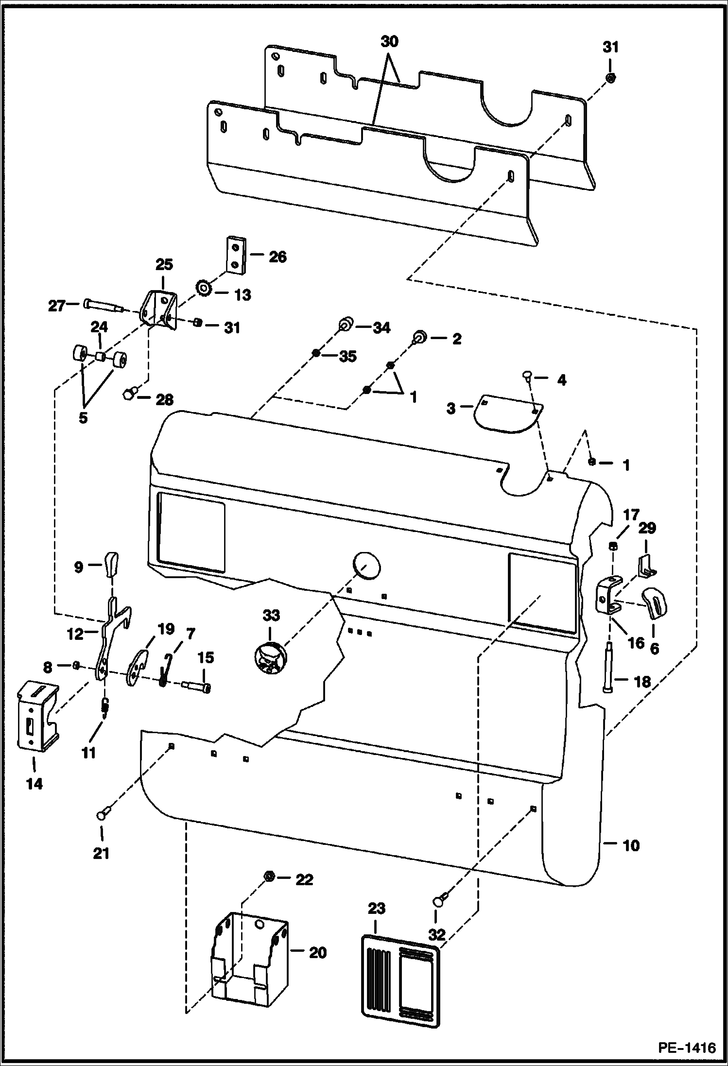
Запчасти Bobcat 800s REAR DOOR (S/N 514449209, 514541069, 514641167 & Above) MAIN FRAME

Схема запчастей Bobcat 800s - REAR DOOR (S/N 514449209, 514541069, 514641167 & Above) MAIN FRAME
FIT
1:1
100%

Артикул

Название

Примечание

Количество

1

61D5

NUT

2

6655399

BUMPER Flat - Use W/Ref. 10 (NLA/Rear Door)

3

6714509

COVER exhaust

4

37C512

BOLT

5

6809726

ROLLER

6

6714126

DOOR STOP

7

6810132

SPRING

8

85D6

NUT, 5

9

6564452

GRIP

10

REAR DOOR NLA - W/Two Hole Bumper Braces - Order 6729991 Rear Door & (2) of Ref. 34 - Was 6729991 - A

10

6729991

REAR DOOR W/One Hole Bumper Braces

11

6810141

SPRING

12

6732715

LATCH Was 6729685 - A

13

6675273

WASHER lock

14

6729939

LATCH PLATE weld-on

15

38C824

SCREW

16

6733575

HINGE, REAR DOOR weld-on - Was 6711526 - A

17

59D6

NUT

18

6809845

BOLT Was 38C856 - A

19

6733667

LATCH, REAR DOOR Was 6811910 - A

20

6715318

TOOL HOLDER standard for Europe

21

37C612

BOLT

22

55D6

NUT

23

6670287

COVER

24

6809734

BUSHING

25

6809727

CHANNEL

26

6719525

BAR threaded striker

27

38C840

BOLT carriage

28

17C820

BOLT

29

6719766

STOP

30

6725256

COUNTERWEIGHT

31

57D6

NUT 5

32

37C628

BOLT

33

6718796

PLUG back-up alarm

34

6733616

BUMPER Tapered - Use W/Ref. 10 (6729991 Rear Door)

35

61D5

NUT

Выбрано товаров: 36