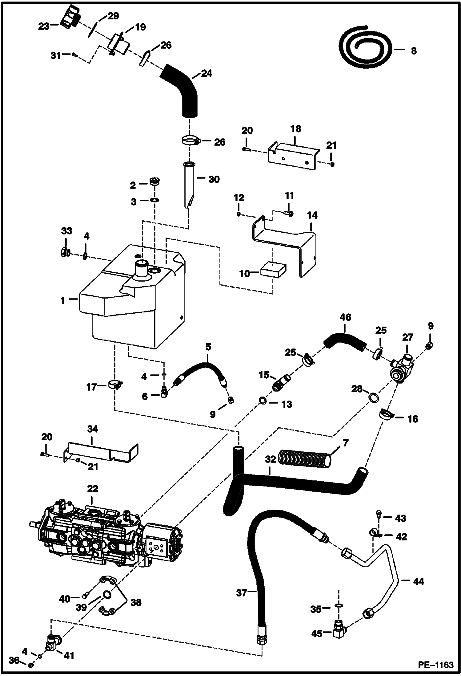
Запчасти Bobcat 800s HYDROSTATIC CIRCUITRY (S/N 514441938, 514540073, 514640147 & Below) HYDROSTATIC SYSTEM

Схема запчастей Bobcat 800s - HYDROSTATIC CIRCUITRY (S/N 514441938, 514540073, 514640147 & Below) HYDROSTATIC SYSTEM
FIT
1:1
100%

Артикул

Название

Примечание

Количество

1

TANK NLA - hydraulic oil - W/ 9/16 in port - Order 6731209 tank & 6727175 tee, Also Order 6727475 cap, 6727354 inlet, 6727318 hose, 6727313 fitting, 5HM-15 (2) clamp & 23 in. (584 mm) of 6586251 hose

2

47K10

PLUG W/Ref. 3

3

79K16

O RING 10

4

99K6

O RING tapered boss face

4

79K6

O RING 10 Flat Boss Face

5

6530859

HOSE tank drain

6

18KB0606

FITTING, HYD ELBOW 45 degree - W/Ref. 4 - Was 18KN00005B - A

7

SHIELD NLA - 10'' (254mm) long - Order Ref. 8

8

6705749

SHIELD bulk - sold per foot

9

36K5

CAP

10

6716449

PAD

11

17C632

BOLT 5

12

83D6

NUT 5

13

99K12

O RING tapered boss face

14

6718726

MOUNT

15

6715718

ELBOW W/Ref. 35

16

5HM42

HOSECLAMP

17

6672281

CLAMP constant tension

18

6718851

BRACKET front

19

INLET See BTI412 - NLA - Was 6706354 - A

20

35C616

BOLT 5 Was 35C000512B - B

21

61D5

NUT

22

PUMP See Illustration HYDROSTATIC PUMP/ B17765

23

6727475

CAP, OIL HYD breather & fill - Also Order Ref. 29 - Was 6577785 - A

24

6718576

HOSE

25

5HM35

HOSECLAMP

26

42HL250

CLAMP Was 6513595 - A

27

6718882

TEE W/Ref. 28

28

75K16

O RING 10

29

6700631

GASKET

30

7120881

SCREEN, FILLER Was 6569219 - A

31

6706517

SCREW

32

6718503

HOSE

33

6665915

GAUGE sight - W/Ref. 4

33

6734563

WASHER KIT

33

6734561

WASHER

33

25K30118

O RING 10

34

6718850

BRACKET rear

35

99K12

O RING tapered boss face

36

PLUG NLA - W/Ref. 4 tapered boss face - Was 24KN-5 - A

36

24K5

PLUG W/Ref. 4 flat boss face

37

6737341

HOSE Was 6736043 - A

38

19J12

CLAMP

39

55K214

O-RING

40

17C620

BOLT

41

7103953

TEE 4-bolt flange - Was 6717662 - A

41

97K12

O'RING flared end

42

30H46

CLIP

43

84G3712

BOLT 5

44

6716506

TUBELINE

45

17KB1212

FITTING, HYD ELBOW W/Ref. 35 - tapered boss face - Was 17KV00008B - A

45

97K12

O'RING flared end

46

6718885

HOSE

Выбрано товаров: 53