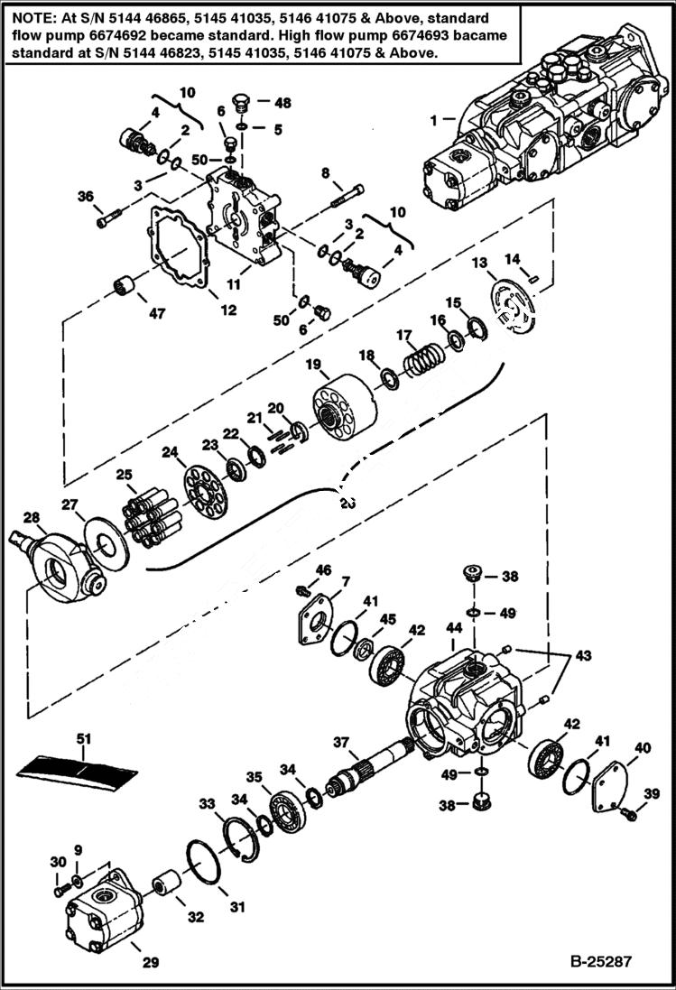
Запчасти Bobcat 800s HYDROSTATIC PUMP (M44 - Non-Servo Assisted Steering) (Right Half) (S/N 514446865, 514541035, 514641075 & Above) HYDROSTATIC SYSTEM

Схема запчастей Bobcat 800s - HYDROSTATIC PUMP (M44 - Non-Servo Assisted Steering) (Right Half) (S/N 514446865, 514541035, 514641075 & Above) HYDROSTATIC SYSTEM
FIT
1:1
100%

Артикул

Название

Примечание

Количество

1

PUMP, HYD TANDEM NLA - Model 4445066 - complete W/aluminum gear pump - standard flow - must use 6576196 bracket & 6706096 bracket from original pump - Order 6689135 pump & 6675660 gear pump or 6674692

1

6674692REM

PUMP, HYD TANDEM, W/O GEAR PUMP

1

PUMP NLA - Model 4445098 - complete W/cast iron gear pump - standard flow - must use 6576196 bracket & 6706096 bracket from original pump - Order 6689135 pump & 6687867 gear pump or 6674692REM pump &

1

PUMP, HYD TANDEM NLA - Model 4445067 - complete W/aluminum gear pump - high flow - must use 6576196 bracket & 6706096 bracket from original pump - Order 6689135 pump & 6675661 gear pump or 6674693REM

1

6674693REM

PUMP, HYD TANDEM, W/O GEAR PUMP

1

PUMP, HYD 2-SPEED NLA - Model 4445099 - complete W/cast iron gear pump - high flow - must use 6576196 bracket & 6706096 bracket from original pump - Order 6689135 pump & 6687868 gear pump or 6677657RE

1

6677657REM

PUMP, HYD 2-SPEED, W/O GEAR PUMP

1

6681937

PUMP, HYD TANDEM Model 4445119 - complete W/gear pump - high flow - must use 6576196 bracket & 6706096 bracket from original pump - Was 6679131 - A

1

6689135

HYDROSTAT W/O Gear Pump

2

6657028

O-RING

3

79K8

O RING 10

4

PLUG NSS - Order Ref. 10 - Was NLA - D

5

79K10

O RING 10 Was 79K000014B - B

6

6645086

PLUG W/Ref. 51

7

6657067

COVER W/Ref. 45

8

6650637

BOLT Was 6650674 - A

9

6518483

WASHER

10

6670685

RELIEF VALVE 5000 PSI (345 bar) - Was 6689601 - A

11

6669405

CAP, END

12

6650634

GASKET

13

6676148

PLATE, VALVE

14

6650636

PIN

15

RETAINER NLA - Order Ref. 26

16

WASHER NLA - Order Ref. 26

17

SPRING NLA - Order Ref. 26

18

WASHER NLA - Order Ref. 26

19

BLOCK NLA - Order Ref. 26

20

6650630

RETAINER

21

6650629

PIN

22

6666338

WASHER

23

RETAINER NLA - Order Ref. 26

24

RETAINER NLA - Order Ref. 26

25

PISTON ASSY. NLA - Order Ref. 26

26

6675341

GROUP, ROTARY Ref. 15 - 25

27

6650627

PLATE

28

6685344

SWASHPLATE W/threaded shaft hole - Was 6671513 - A

29

GEAR PUMP See Illustration GEAR PUMP/ B16398 See Illustration GEAR PUMP/ B18016 STANDARD FLOW

29

GEAR PUMP See Illustration HIGH HORSEPOWER HYDRAULICS/ B18009 See Illustration HIGH HORSEPOWER HYDRAULICS/ TS1078 HIGH FLOW

30

17C620

BOLT

31

6645080

O-RING

32

6676146

COUPLING

33

669863

RING, SNAP

34

658128

RING, SNAP

35

654299

BEARING

36

6652018

BOLT

37

6669407

SHAFT

38

47K8

PLUG W/Ref. 49

39

6650668

BOLT

40

6657068

COVER

41

6660814

O-RING

42

6669411

BEARING

43

6675342

PIN

44

6669403

HOUSING

45

6678226

SEAL, OIL Was 6673881 - B

46

1CM820

BOLT

47

6650635

BEARING

48

24K7

PLUG W/Ref. 5

49

79K12

O RING 10

50

6661481

O-RING

51

6671516

KIT, SEAL See Illustration HYDROSTATIC PUMP/ B17765A - Ref. 7, 9, 13, 34, 35, 42, 43, 45 & 46 - Also Includes Ref. 2, 3, 12 & 41 on this Illustration

Выбрано товаров: 60